请注意,本文内容源自机器翻译,可能存在语法或其它翻译错误,仅供参考。如需获取准确内容,请参阅链接中的英语原文或自行翻译。
器件型号:DP83TC812S-Q1 工具/软件:
您好团队:
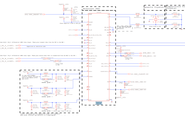
我的客户正在 开发 DP83TC812S PHY 芯片的 PHY 启动、
PHY 的预期配置如下所示、
模式–主器件
速度–100Mbit
MII 模式–SGMII
自举引脚配置如下所示。
目前 、观察到 PHY 未处于链路接通状态。
链路伙伴配置为主模式/从模式自动配置、速率为 100MB。

根据故障排除指南进行寄存器转储。
e2e.ti.com/.../DP83TC812S-BootStrap-Config.xlsxe2e.ti.com/.../DP83TC812S_5F00_RegDump.xlsx
请查看并告知我们此问题的根本原因。
谢谢
此致、
Daniel Wang