工具/软件:
尊敬的 TI 支持团队:
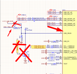
我目前正在使用进行 USB 集线器设计 TUSB8020B 。 我谨请求提供一份 原理图审阅 连接的电路的稳压器。
我特别有几个问题:
-
我计划使用 TUSB8020 供电 由 5V 电源轨生成 3.3V 电压 使用 直流/直流转换器 。
–对于 TUSB8020 的稳定运行、这是否可以接受?
–您是否有为此目的推荐的 TI 直流/直流器件? -
TUSB8020 是否有关于最佳电源完整性的任何布局或原理图设计提示?
-
我附上了原理图以供您审查。 如果您有任何反馈或建议、我将不胜感激。
感谢您访问 support.e2e.ti.com/.../USB-Connector.pdfe2e.ti.com/.../3.0-HUB-2-Port.pdf



