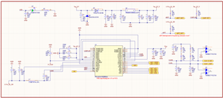
工具/软件:
1.请查看适用于 BMS 设计的 TCAN2451-Q1 原理图设计。
输出电压为 VCC1 = 3.3V 且 VCC2 = 5V。 您能否确认、SPI 输出电平是根据 VCC1 为 3.3V 还是根据 5V 而为 3.3V?
3. 根据数据表、nINT 引脚为低电平有效、因此必须使用 3.3V (VCC1) 来上拉或不上拉该引脚?
4. SW 引脚的功能是什么?

This thread has been locked.
If you have a related question, please click the "Ask a related question" button in the top right corner. The newly created question will be automatically linked to this question.
工具/软件:
1.请查看适用于 BMS 设计的 TCAN2451-Q1 原理图设计。
输出电压为 VCC1 = 3.3V 且 VCC2 = 5V。 您能否确认、SPI 输出电平是根据 VCC1 为 3.3V 还是根据 5V 而为 3.3V?
3. 根据数据表、nINT 引脚为低电平有效、因此必须使用 3.3V (VCC1) 来上拉或不上拉该引脚?
4. SW 引脚的功能是什么?

嗨、Kalpak
1.查看以下内容
a) 如果未使用 WAKE 引脚、则应将其直接接地、以防止寄生唤醒。
b) HSS1 — 我看到您在 LED 之前具有 100nF — 只需确保该电容器在布局中尽可能靠近 HSS1 引脚。
c) HSS1 — 通常我们会在 LED 之前看到限流电阻器 — 之后不会看到。
d) VHSS/VSUP/VSUPPB -因此,在这个连接上,我们通常建议使用稍微不同的设置 — 虽然您的设置不是最差的,因为它确实包含大量滤波,但可以进行一些改进-请参阅下面的参考图像:

C1 =最小值为 22uF、但可能更多、具体取决于应用需求;这有助于防止电池/ISO 脉冲
C2 = 100nF — 在反向保护二极管之后紧接着的高频去耦。
CF = 2.2uF -通常可以针对应用来调整此值 — 但一般来说,我建议使用 2.2uF
Cd = 47uF 需要至少为 C5 的 4 倍
C5 = 10uF -可能需要根据应用的需要进行调整 — 10uF 用于 EMC 陶瓷 VCC1 上具有 0.8A 负载的条件下
C3、C4、C6 = 100nF — 尽可能靠近各自的引脚
LFLT = 1.5uH — 但可以根据需要进行调整。
不过,最大的事情是放置滤波的位置 — π 型滤波器应放置在 VSUP/VHSS 和 VSUPB 之间 — VSUP 和 VHSS 的 EMI 产生量不会像 VSUPB 那样多 — 因此我们建议使用 π 型滤波器分离输入。
直接查看原理图时,基本上遵循了建议值,您使用的是铁氧体磁珠而不是电感器,因此可能会造成一些差异,但总体而言,磁珠应用作电感器 — 唯一一点是真正的电感器可能具有更好的较低频率响应。
但是 — 电路中的 π 型滤波器位于所有三个电源引脚之前 — π 型滤波器应该位于它们之间。
e) 您是否不使用 VCC2 为 VCAN 供电? 如果您使用外部 5V 电压为 VCAN 供电并使用 VCC2 来执行其他操作,这是可以接受的 — 但这是 VCC2 的最常见用途、但我看到 VCC2 输出和 VCAN 输入是不同的标签。 我只是想确保这是意图--因为这里没有直接的问题。 VCC2 输出的 ESR 应介于 0.001 Ω 和 1 Ω 之间。
f) CANH/CANL 线路上的 100pF 滤波电容器有点大 — 通常我们建议将其上限设置为~40pF 最大值 — 但是,许多应用使用 100pF — 所以您可以使用它们,但可以缩短有效的最大总线长度。 我不建议删除它们 — 但如果出现问题,您可能希望能够支持这里的多个值。
除此之外、您的原理图看起来非常好。
2. SPI 以 VCC1 电压为基准。 因此、如果 VCC1 为 3.3V、则 SPI 以 3.3V 域为基准。
3. nINT 引脚是推挽输出 — 因此不需要上拉电阻器-但无论怎样,许多人仍然会添加它,因此它们始终在输出端设置默认状态 — 无需这样做,但添加这也不会影响器件/应用。
4.其主要目的是禁止 SBC 由于错过看门狗触发而采取的操作。 即、如果您将 SW 引脚保持在其运行状态(默认为高电平)、当 SBC 错过了看门狗触发信号时,它将忽略它 — 这在初始开发期间很有用,因为错过看门狗通常会导致器件复位,或者如果器件连续复位过多次,则器件会根据配置转换为睡眠/失效防护模式。 看门狗是为简化设计而应实现的最后一个特性、因此 SW 引脚在开发过程中可能会很有帮助。 当我必须在此器件的实验室中工作时、将 SW 引脚拉高、这样就无需担心看门狗触发。 它也可以用作数字唤醒引脚 — 但我还没有见过任何人以这种方式使用它-但它是该器件中包含的一项功能。
如果您有任何其他问题、请告诉我!
此致、
Parker Dodson
尊敬的 Parker:
感谢您的及时回复。 我还有几个疑问。
为了将 SW 引脚保持在高电平、我们可以通过 VCC1 从外部上拉 SW 引脚吗?
2. GFO 和 nINT 引脚之间的主要区别是什么? 我们是否可以使用这两个引脚将 MCU 从睡眠模式唤醒(当检测到从其他外设到 SBC 唤醒引脚的唤醒时)?
能否介绍 LIMP/LSS 引脚的详细功能? (用于我们的 BMS 应用)
尊敬的 Kalpak:
1.是的、您可以使用 VCC1 从外部上拉软件 — 但是,如果这样做,则会错过看门狗不会引起 SBC 的反应 — 在系统中,通常需要看门狗。 如果您根本不想在系统中使用看门狗、更好的方法是通过寄存器 13h 和 14h(在正常和待机模式下禁用)禁用看门狗。 因此、我们不会一直上拉 SW 产生漏电流、不过在器件级别将 SW 上拉至 VCC1 并不会造成不良影响、我会担心这会对系统产生更大的影响、但前提是您最终希望启用看门狗计时器并能够导致 SBC 做出反应。
2、主要区别在于 GFO 引脚是一个通用场输出——因此,虽然它可以用于为特定中断向处理器发出信号——这些都是引脚的交替功能。 GFO 引脚的主要和默认功能本质上是一个数字输出、可输出高电平/低电平信号以用于系统。 我们预见的该引脚用于的主要应用是通道扩展 — 本质上,GFO 引脚可用于抑制/启用外部 CAN 收发器或 LIN 收发器、以防系统需要额外的 CAN 或需要 LIN 扩展。 nINT 是通用中断引脚、并不能真正区分它所反应的中断类型。 我见过的大多数系统通常都具有 GFO 悬空 — 本质上,如果您认为不需要它,则可以将其保持悬空。
3.所以 LIMP/LSS 引脚有两个主要功能 — 跛行或低侧开关 (LSS)。
跛行模式用于跛行回家模式 — 跛行模式是汽车中的一项安全功能,当发动机或变速器控制单元发现故障时激活。 一旦检测到问题、跛行模式将导致不那么重要的汽车部件(如空调)关闭、汽车速度将降低。 LIMP 引脚会出于几个原因进行标记 — 但主要是错过了看门狗触发(如果看门狗启用并且 SW 未处于活动状态)。因为错过的看门狗触发可能表明控制器和 SBC 之间存在通信故障、或者当 SBC 由于故障而进入失效防护模式时、LIMP 引脚将被拉至低电平。 跛行信号进入系统中的其他位置、以指示存在故障以及车辆不太重要的功能已关闭/减少 — 从本质上讲,这是一种帮助在车辆级别减轻灾难性灾难的方法。 器件上的 LIMP 引脚只是 SBC 向系统指示存在故障的一种方法、它不需要 VCC1 或 VCC2 来运行、因为上拉电阻应达到电池电平。 如果使用此引脚、则特定于应用和特定的系统。 整个系统所采取的实际操作取决于系统的定义方式、SBC 仅使用该系统向主控制单元指示潜在的严重故障。
LSS 是一个接地的开关、它可以打开、关闭或设置为 PWM 频率。 本质上、高侧开关将进入电压源->开关->负载->接地、低侧开关进入电压源->负载->开关->接地;但它仅限于 25mA、而不是 HSS 模块等 100mA。 我还没有在应用中真正看到使用此方法 — 但如果系统中需要 LSS、则必须禁用 LIMP。 具有悬空负载时、低侧开关通常比 HSS 模块更好、但它们可能引入更大的接地电流。
如果您有任何其他问题、敬请告知!
此致、
Parker Dodson
尊敬的 Kalpak:
我真的很抱歉我没有回答这个问题。 为此我们深表歉意。
1.通过 SPI 总线接收看门狗触发信号 — 您可以写入一个寄存器来触发看门狗的窗口和超时-如果您使用问答看门狗、有一些特定的寄存器、因为响应不会是 0xFF。
2.一般情况下它们不需要上拉或下拉电阻器即可工作、因为输入只是寻找边沿或脉冲(如果配置)-但大多数实现方案都使用大约 3k 电阻器将 WAKE 引脚上拉至电池电压。 也就是说,为了获得出色结果,最好在线路上具有某种默认电压 — 根据 WAKE 输入是什么、它可以是下拉电阻器或上拉电阻器。
3,这有点复杂 — 因为有多个步骤,nINT 引脚变为低电平是最后发生的事情之一。 因此、首先、如果进行默认的边沿检测、唤醒信号需要处于适当的电平至少 140us、这将导致器件转换到重启模式、然后 VCC1 将开始斜升 — 当 VCC1 处于适当的电平时、此事件的时间将随系统负载和输出电压而变化、当 VCC1 处于适当的电平时 CRXD 将变为高电平。 如果 VCC1 保持在适当的电平(除非存在问题,否则应该保持该电平)并持续 t_RSTn_act(配置 1 通常为 2ms、备用配置通常为 15ms)、则器件将切换到待机模式、此时 CRXD 引脚将锁存为低电平或进行切换(根据配置) 当 CRXD 引脚开始锁存时、nINT 引脚将拉至低电平(因为 VCC1 关闭时、nINT 引脚不可用)、我们没有 nINT 的特定时间、但进入待机模式时、nINT 引脚将对任何中断(它至少具有 LWU 中断)做出反应。
因此、基本上为 140us 以检测唤醒信号+ VCC1 上升时间(取决于负载)+ t_RSTn_act(配置选项 1 通常为 2ms、范围为[1.5ms、2.5ms];配置选项 2 通常为 15ms、范围为[10ms、20ms])+ nINT 引脚的一些 uS 电平转换时间。 最长的时间是 t_RSTn_act 时间、占大部分延迟、因此在正常条件下将有毫秒级的延迟。
此致、
Parker Dodson