Other Parts Discussed in Thread: TPD1E05U06, TPD4E05U06, ESD224
主题中讨论的其他部件:TPD1E05U06、、 ESD224
工具/软件:
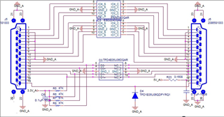
我们设计了一个电路板、可在 PC 和显示器之间将 HDMI 连接到 HDMI。
我们应用了保护 IC、但 HDMI 连接无法正常工作。
TMDS 线具有 100 欧姆阻抗。
目前、HDMI 引脚 17 在电路上为 NC、但即使我们连接 GND、图像也不会显示。
电路图显示 HDMI 端口的右侧是监视器侧、插图位于监视器侧的顶部。
请查阅。

