工具/软件:
尊敬的 TI 支持团队:
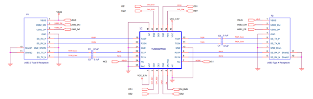
我正在设计一个使用 TUSB522P 芯片连接两条 1.8 米双绞线电缆的扩展器、以扩展 USB 信号。 原理图和控制信号配置已实现、芯片功耗测量结果显示 0.271mA 处于待机模式、84.1 –84.6mA 处于工作模式(符合器件规格)。 然而、在 PCB 原型设计之后、该设计仅支持 USB 2.0 传输。 连接 USB 3.0 器件时、尽管器件/连接器上已确认工作电压且控制信号电压正常、但主机仍无法检测到信号。
在调试期间、EQ.DE 信号线在悬空时呈现低电平电压、但仅使用外部上拉/下拉电阻器才能恢复正常。 申请有关实现 USB 3.0 信号传输的进一步调试步骤的指导。
请找到随附的原理图。 标有*的元件已特意从电路 implementation.e2e.ti.com/.../USB3.1_F65E7F956856_.PDF 中排除


