Other Parts Discussed in Thread: TPS25763-Q1, TPS25751, TUSB1146
器件型号: TPS25751
Thread 中讨论的其他器件: TPS25763-Q1、 TUSB1146
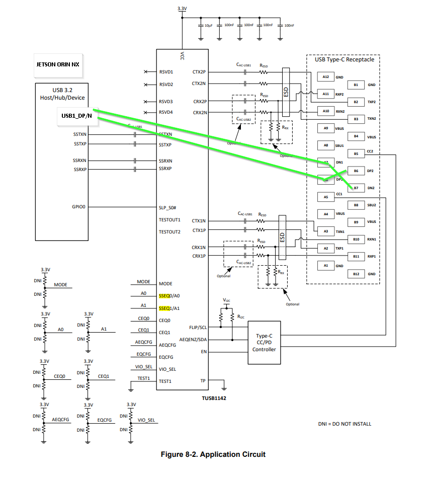
我有一个 Jetson Orin 模块、该模块与一个具有 27W PD 的 USB Type-C 端口进行通信。 我实施了 TPS25751、是 PD 新手、发现在同一端口上同时支持 USB 3.2/3.1/3.0 和 2.0 有一些细微差别。 数据表建议使用超高速多路复用器来处理 SS 信号。
不过、图 9.11 和 9.12 中的方框图令人困惑。 D+/D-线路是否应同时连接到 TPS25751 GPIO 和主机控制器(在本例中为 NVIDIA 模块)D+/D-线路? 或者应该只将 D+/D-路由到主机模块。 我想我很困惑、因为我在 TPS25751 上没有看到 USB 通信的数据输出信号集、到目前为止、我唯一的体验是使用 USB 2.0 集线器、它引入了多条 D+/D-线路并将 Singla D+/D-对输出到主机器件。
如果我的理解正确、我需要与 TPS25751 进行 t 连接的 D+/D->>主机、而在一个端口上有 3 个器件似乎非常奇怪。


