This thread has been locked.

If you have a related question, please click the "Ask a related question" button in the top right corner. The newly created question will be automatically linked to this question.

[参考译文] DP8.3867万IS:用于SGMIII的DP8.3867万

Guru**** 2543960 points


请注意,本文内容源自机器翻译,可能存在语法或其它翻译错误,仅供参考。如需获取准确内容,请参阅链接中的英语原文或自行翻译。

https://e2e.ti.com/support/interface-group/interface/f/interface-forum/576569/dp83867is-dp83867-for-sgmiii

部件号:DP8.3867万IS

尊敬的先生:

我正在使用DP8.3867万 作为  SGMIII的以太网收发器。  

可能有助于查看以下示意图? 谢谢。

www.clouding.com.tw/other/DP8.3867万.jpg

http://www.clouding.com.tw/other/core.jpg

  • 请注意,本文内容源自机器翻译,可能存在语法或其它翻译错误,仅供参考。如需获取准确内容,请参阅链接中的英语原文或自行翻译。
    你好,Lucifer,

    原理图上的几个要点:

    RX_CTRL引脚的绑带要求已更新。 请查看新的SNLS504A数据表。 应为此行选择模式3或模式4。
    SGMII也应使用LED_0引脚绑起来,以启用。
    C285和C286应放置在发射器附近,在这种情况下,您的4G模块。
    C287和C288应靠近DP8.3867万
    负载电容器看起来太小,不适合您的晶体。 有关晶体负载电容器计算的信息,请参阅此线程: e2e.ti.com/.../47.8767万

    此致,
  • 请注意,本文内容源自机器翻译,可能存在语法或其它翻译错误,仅供参考。如需获取准确内容,请参阅链接中的英语原文或自行翻译。

    尊敬的先生:

    您的"SGMII也应使用LED_0引脚绑带,以启用。"
    您的意思是我必须像模式4一样将LED_0绑定为启用状态,对吗? 谢谢。

    http://www.clouding.com.tw/other/core.jpg

  • 请注意,本文内容源自机器翻译,可能存在语法或其它翻译错误,仅供参考。如需获取准确内容,请参阅链接中的英语原文或自行翻译。
    您好Lucifer:

    模式4中的捆扎LED_0将启用SGMII和镜像模式。 从您的原理图中,不应启用镜像模式。 在这种情况下,如果启用了SGMII,并且禁用了镜像模式,则LED_0应捆绑到模式2。 LED_0具有10K上拉和2.49K下拉。 LED_0将是有源高驱动器,因此LED应使用限流电阻器连接在LED_0引脚和GND之间。

    此致,
    Aniruddha
  • 请注意,本文内容源自机器翻译,可能存在语法或其它翻译错误,仅供参考。如需获取准确内容,请参阅链接中的英语原文或自行翻译。

    尊敬的先生:

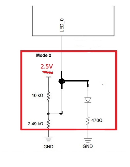
    你的意思就像下图,对吧? 谢谢。

  • 请注意,本文内容源自机器翻译,可能存在语法或其它翻译错误,仅供参考。如需获取准确内容,请参阅链接中的英语原文或自行翻译。
    你好,Lucifer,

    是的,但晶体管仅用于1.8V VDDIO配置。 如果您的应用使用2.5V或3.3V VDDIO,则不需要LED上的晶体管。 您可以使用限流电阻器在LED引脚和接地之间连接LED

    此致,
    Aniruddha
  • 请注意,本文内容源自机器翻译,可能存在语法或其它翻译错误,仅供参考。如需获取准确内容,请参阅链接中的英语原文或自行翻译。
    尊敬的先生:
    感谢您的帮助。 我更新以上图片。如果没有任何问题,请再次检查。 我正在计划布局,谢谢。
  • 请注意,本文内容源自机器翻译,可能存在语法或其它翻译错误,仅供参考。如需获取准确内容,请参阅链接中的英语原文或自行翻译。
    你好,Lucifer,

    我对混淆表示歉意,但我建议保留晶体管,因为它在LED路径和引导之间提供了一些门/基线隔离。 如果没有晶体管,将很难控制带电压,这是确保正确配置所必需的。

    我建议您保留模式2中包含晶体管的原始图像。

    此致,
    罗斯