部件号:TPS6.5983万
您好,
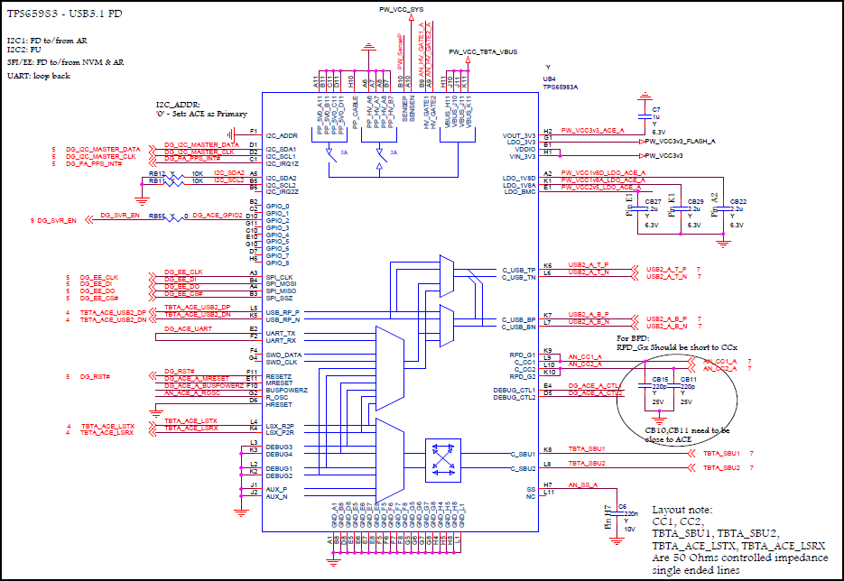
我们的客户正在考虑采用TPS6.5983万散热器(器件)端。并遵循内部参考设计Thunderbolt 3.0。 请参阅以下详细信息:
我们使用TPS6.5983万外部MOS路径从主机获取VBUS电源,因此我们的仅用作端点。 我们使用的TBT控制器是Intel Alpine Ridge,共享外部闪存是W25Q80DVSSIG,TPS6.5983万共享此闪存。 引用为“AR SP NGFF REV2P5_FINAL”。
您能否帮助我们检查并共享匹配的PD固件?
谢谢。





