Other Parts Discussed in Thread: HD3SS3212-Q1, HD3SS3212
器件型号:HD3SS3212-Q1
您好,
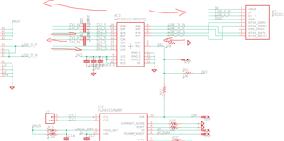
我 正在设计一款具有 Type-C 和 USB3.0端口的产品、我使用了 TI 的 CC 控制器(TUSB321RWBR)和 MUX (HD3SS3212RKSTQ1)。解决方案
能不能?我检查原理图有什么错误?并告诉我为什么不使用超高速

DIR (R12)网络通过上拉电阻器连接到多路复用器、然后开始测试、但在 Ubuntu 中不进行超高速测试。


非常感谢。








