请注意,本文内容源自机器翻译,可能存在语法或其它翻译错误,仅供参考。如需获取准确内容,请参阅链接中的英语原文或自行翻译。
器件型号:TPS65987-90EVM
大家好、
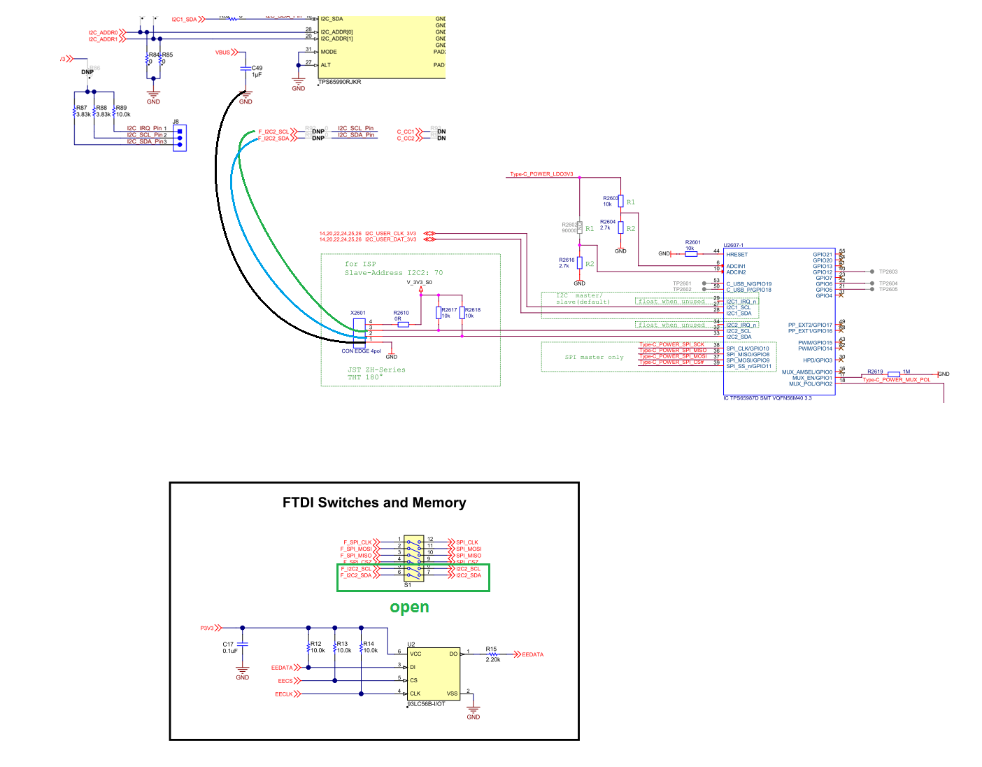
我的客户正在使用 EVM 在自己的板上对 TPS65987D 进行编程、如下所示:
在 EVM 上对芯片进行编程似乎可以正常工作、但当尝试在其自己的电路板上对器件进行编程时、寻址0x38时钟不工作、但适用于0x20。
如您所见、在寻址0x38时、第8个时钟失败。 您知道原因是什么、或者我们可以做些什么来解决这个问题吗?
此致
Simon
