Other Parts Discussed in Thread: TDP0604
请注意,本文内容源自机器翻译,可能存在语法或其它翻译错误,仅供参考。如需获取准确内容,请参阅链接中的英语原文或自行翻译。
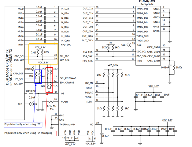
器件型号:TDP158 主题中讨论的其他器件:TDP0604
大家好、
我在数据表中找到了 DDC 接口的阈值电压作为 第一张图、我想问一下:
- Vcc 是指此设备或其他设备的电源电压?
- 这个接口的 VOH (min)是什么? 与2.4V 相同?
- DDC_SRC ( 第二个图中显示的 SCL_SRC 和 SDA_SRC)的上拉电平是否必须为3.3V? 当主机 IO 电压为1.8V 时、它可以是1.8V 吗?


此致、
高锡尔维亚