Other Parts Discussed in Thread: LM340, LMH0340
请注意,本文内容源自机器翻译,可能存在语法或其它翻译错误,仅供参考。如需获取准确内容,请参阅链接中的英语原文或自行翻译。
器件型号:LMH0340 主题中讨论的其他器件:LM340、
各位团队、您好!
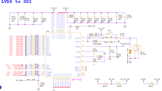
请帮我复习一下 LMH0340SQE 的电路图、谢谢!

This thread has been locked.
If you have a related question, please click the "Ask a related question" button in the top right corner. The newly created question will be automatically linked to this question.