https://e2e.ti.com/support/interface-group/interface/f/interface-forum/1453234/dp83867is-dp83867is
器件型号:DP83867IS工具与软件:
您好!
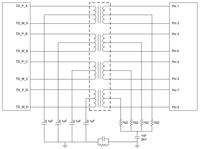
仅1000BASE-T 失败。
请告诉我如何改进。
请检查随附的文件。
我还将共享有关输入电压和时钟的数据。
有关更多信息、请参阅 "DP83867IS:DP83867ISRGZ 的 LAN 合规性测试失败"
e2e.ti.com/.../LAN2_5F00_default.pdf



