Other Parts Discussed in Thread: ISO7731, ISO7741
请注意,本文内容源自机器翻译,可能存在语法或其它翻译错误,仅供参考。如需获取准确内容,请参阅链接中的英语原文或自行翻译。
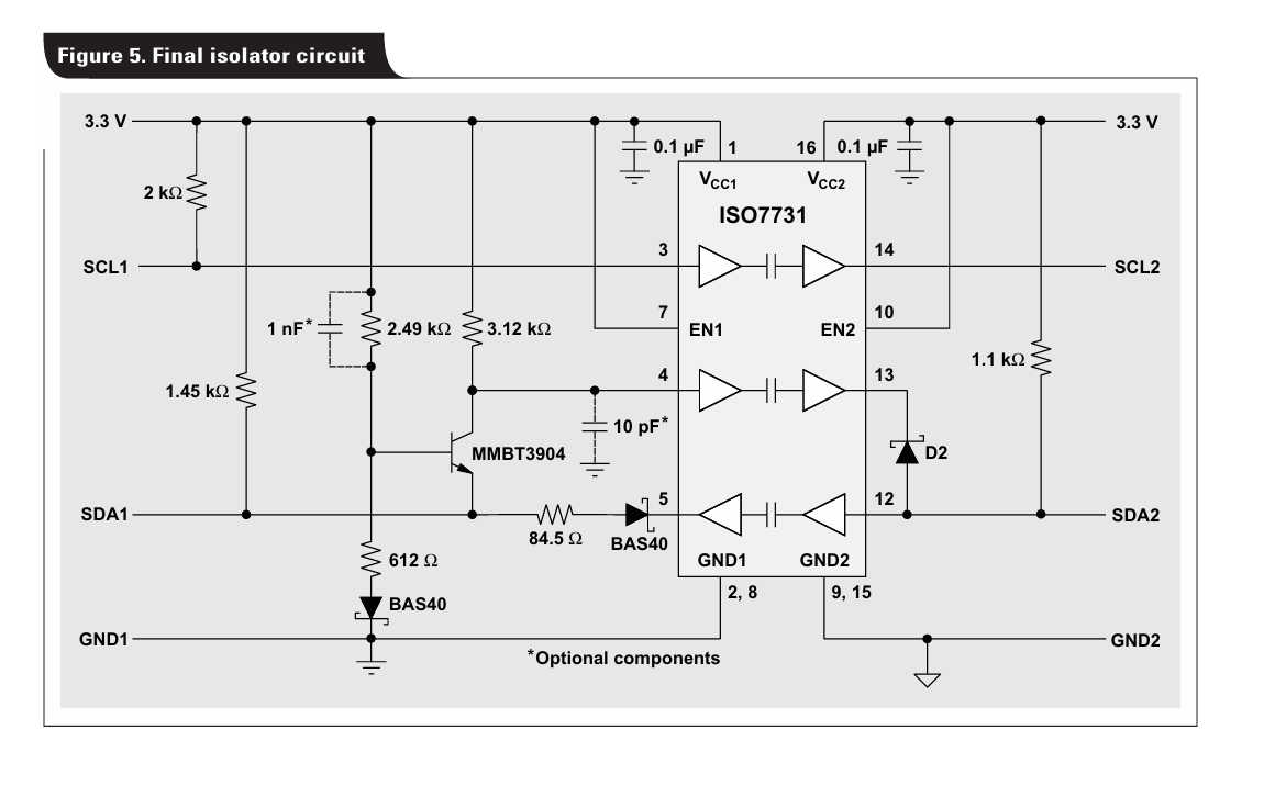
器件型号: ISO7731
主题: ISO7741 中讨论的其他器件
我想基于文档 ISO7731 I2C 隔离器并采用 ISO7741 制作一个 I2C 隔离器。
我没有推荐设计图 5 中的这些电阻值。 如何计算这些电阻值? 是否可以使用 BJT 分压器偏置进行匹配?
我有 BJT MMBT3904 和电击二极管 B5819WS 
