器件型号: ISOUSB211
尊敬的团队:
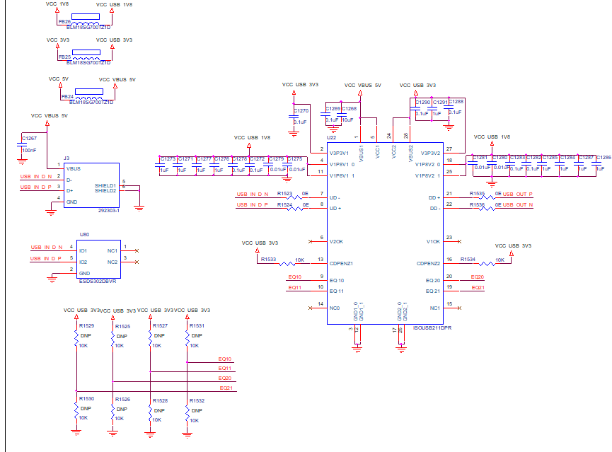
我在模拟卡中使用的是 ISOUSB211DPR、
如果我使用来自连接器的 Vbus 电源和另一侧的 3.3V 总线、则不使用任何 LDO 将 VBUS 转换为 1.8V
在该配置中、我是否需要通过板载稳压器提供外部 3.3V 和 1.8V。
两侧是否都需要单独的接地。
下面是我的电路、请检查并提供反馈

此致、
Abhishek
This thread has been locked.
If you have a related question, please click the "Ask a related question" button in the top right corner. The newly created question will be automatically linked to this question.
器件型号: ISOUSB211
尊敬的团队:
我在模拟卡中使用的是 ISOUSB211DPR、
如果我使用来自连接器的 Vbus 电源和另一侧的 3.3V 总线、则不使用任何 LDO 将 VBUS 转换为 1.8V
在该配置中、我是否需要通过板载稳压器提供外部 3.3V 和 1.8V。
两侧是否都需要单独的接地。
下面是我的电路、请检查并提供反馈

此致、
Abhishek
尊敬的 Abhishek:
感谢您的联系。
对于电源配置、上面的原理图应正常工作、因为 VCC1 和 VCC2 为 3.3V 供电。
有关更多详细信息、请通读数据表中的第 7.3 节、其中介绍了不同的可能电源配置: 
两侧是否需要单独的接地。
这对于功能而言不是必需的。 高压隔离需要单独接地。 即使 GND1 和 GND2 短接在一起、ISOUSB 也可以正常工作。
此致
Varun
尊敬的 Abhishek:
[报价 userid=“634015" url="“ url="~“~/support/isolation-group/isolation/f/isolation-forum/1587902/isousb211-design-inquiry/6122178 ]在数据表中、提到的好像使用来自 USB 的 VBUS 电源、那么 IC 内部将产生 3.3V 和 1.8V 电压。[/报价]这不是正确的结论。 段落中非常清楚地提到、为了生成 1.8V 电压、需要提供 VCCx、而为了生成 3.3V 电压、需要提供 VBUS。
原理图仍然很好、因为您只添加了 0 欧姆选项。
此致
Varun