This thread has been locked.

If you have a related question, please click the "Ask a related question" button in the top right corner. The newly created question will be automatically linked to this question.

[参考译文] ISOUSB211:占地面积和3D 模型错误

Guru**** 2604225 points
Other Parts Discussed in Thread: ISOUSB211

请注意,本文内容源自机器翻译,可能存在语法或其它翻译错误,仅供参考。如需获取准确内容,请参阅链接中的英语原文或自行翻译。

https://e2e.ti.com/support/isolation-group/isolation/f/isolation-forum/1082226/isousb211-wrong-footprint-and-3d-model

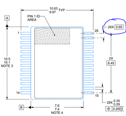
部件号:ISOUSB211

您好,

我下载了 ISOUSB211的印迹和3D 模型,有一个区别:电极中间之间的距离为0.66mm,数据表中的距离为0.65mm。 那么,哪个值是正确的? 您的3D 模型的间距也为0.66mm。

此致  
Tomasz

  • 请注意,本文内容源自机器翻译,可能存在语法或其它翻译错误,仅供参考。如需获取准确内容,请参阅链接中的英语原文或自行翻译。

    你好,Tomasz,

    感谢您的帮助。

    数据表中的0.65mm 节距值是销到销间距的正确值。 我确实知道,在网站上提供的 ISOUSB211印迹间距有0.01mm 的误差。 这使得总误差为0.13mm (=0.01mm*13)。  我认为这在销宽和其他尺寸的公差范围内,您在将组件安装到占地面积方面不会有任何困难。

    无论如何,我将与足迹建模团队联系,报告此错误,并尝试找出这是工具的局限性还是疏忽。 如果这可以解决,我会让他们解决。 再次感谢您向我们报告这一情况。

    如果您有任何其他问题,请告诉我们,谢谢。


    此致,
    科特谢瓦·拉奥