Other Parts Discussed in Thread: ISOW7742, ISO7742, ISOW7741
请注意,本文内容源自机器翻译,可能存在语法或其它翻译错误,仅供参考。如需获取准确内容,请参阅链接中的英语原文或自行翻译。
器件型号:ISOW7742 主题中讨论的其他器件: ISO7742、 ISOW7741
大家好、
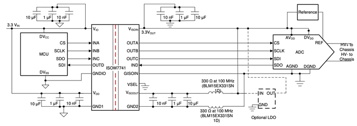
我想替换 ADUM5000、因此我想使用集成电源的 ISO"W"7742
ISOW7742集成电源是否设计 为为为自身以外的其他器件供电?
我希望使用一个或两个 ISOW7742代替 ISO7742、因此我不必使用 ADUM5000等隔离式电源模块。

如果是、 您是否能帮助计算出我需要为所有器件供电的 ISOW7742?
规格如下所示
3.3V 至3.3V
RS232 (1Mbps)
