请注意,本文内容源自机器翻译,可能存在语法或其它翻译错误,仅供参考。如需获取准确内容,请参阅链接中的英语原文或自行翻译。
器件型号:ISO1228 您好、专家:
我的客户询问有关 ISO1228的问题:
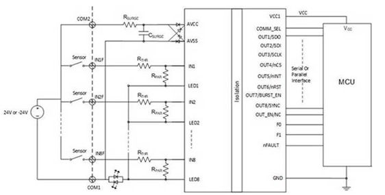
"如果我想设计一个具有灌电流和拉电流能力的 DI、并让我的终端客户 能够选择是灌电流还是拉电流信号、我应该怎么做? "
那么、他们可以使用相同的硬件配置、该配置可以同时接受灌电流和拉电流类型吗?
如果支持、客户还担心 LED 仅在一个方向上工作、因此它们是否可以并联另一个 LED 以接受灌电流和拉电流类型? (如下所示)

谢谢
伊森
