https://e2e.ti.com/support/isolation-group/isolation/f/isolation-forum/1276475/isom8110-pspice-sim
器件型号:ISOM8110客户对该器件感兴趣、并使用给定的 PSpice 模型得出了一些仿真结果。
请帮助确认以下描述是否正常。
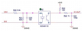
1.当 VIN1上升到14.2V 时、X1-OUT 约为193mV。
2. VAN = VF = 1.42V、是否在 PSpice 模型中设置了该 VF 值? 它是固定的吗?
在 d/s 中、最大值 值为1.4V。 为什么设置为1.42V 高于1.4V?
3.如果计算
(14.2-1.42)/5.6K-1.42/820 = 0.55mA。 它具有与 PSpice 模型/Sim 相同的结果。
4. IC 的 Sim 结果约为0.935mA ,计算结果为(3.3-0.19)/10K= 0.31mA。 为什么存在差异?
5. CTR
CTR = 0.934/0.55 = 170%(仿真结果 ) ,CTR = 0.31 / 0.55 = 56%(计算结果 ) ,
在 PSpice 库中设置 CTR = 120%。 是固定值吗?
有三种不同的 CTR 值、在0.5mA 时、看起来这是50%到195%的范围。 哪一种方法与实际应用很接近?





