您好!
客户电路板上的 DAT0Bx 电平下降有问题。
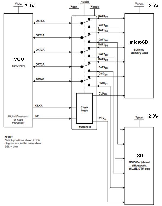
(通过 TXS02612的信号波形振幅较低。)
原理图如下所示。
VCC 电压稳定在2.9V。
DAT0A 为2.9V。 但是、DAT0B 已降至约1.8V。
客户希望提高信号的电压电平。
您能否告诉我电压下降的原因以及如何增加电压?
此致、
Yusuke
This thread has been locked.
If you have a related question, please click the "Ask a related question" button in the top right corner. The newly created question will be automatically linked to this question.
Karan-San、
感谢您的回答。
>该电压下降的一个常见原因是从输出端获得的电流过大。
您是否有关于可输出的电流量与压降之间关系的信息?
我检查了数据表、但找不到 DAT0Bx 输出电流值的调节。
>线路上是否有任何上拉电阻?
线路上没有上拉电阻。
如何使用发送的块映像。
您能告诉我您指向的上拉电阻的图像吗?
我有一个客户波形。
在私人邮件中、我想共享它们。
是否可以检查波形?
此致、
Yusuke