主题中讨论的其他器件: SN74AVC4T774、 SN74LVC3G17、 SN74LV1T34、 SN74LVC3G34
您好!
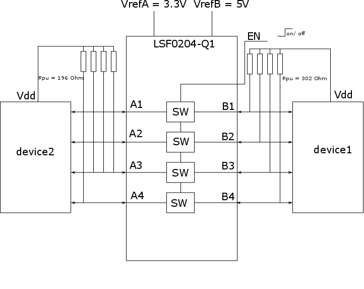
我想在 SPI 通信中使用 LSF0204-Q1进行电平转换。
因此、我想使用以下电路:
这就是我设计以下 PCB 设计的原因:
(可忽略 TX/Rx)
出于纯粹的测试目的、我使用 Arduino Uno、它输出5V (数字)脉冲。 然后、应将这些设置为3.3V。
VrefA = 3.3V 大电压、VrefB = 5V。
如果我现在在未先连接 VDDS 的情况下将5V 脉冲设置为 B1、B1将不会输出任何信号。
如果我现在连接 Vdd、则 B1始终从 Vdd 获取信号、如下图所示:
我已经测试了所有可能的配置。 因此、要将 EN 引脚设置为高电平并使用不同的电平、要相互连接 Vdd 和 Vref、请仅将 Vref 用于 RPU。 没有成功。 B1保持为零或假设为相应的电平、但不会在3.3V 时产生轻微延迟。
你能告诉我我我出了什么问题吗?
此致
