请注意,本文内容源自机器翻译,可能存在语法或其它翻译错误,仅供参考。如需获取准确内容,请参阅链接中的英语原文或自行翻译。
器件型号:DRV8329 工具与软件:
您好!
我们使用的是 DRV8329、有一个关于为自举电容器充电的问题。
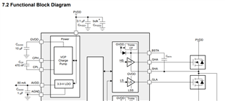
在数据表中、该方框图未显示内部与 GVDD 二极管串联的电阻器。
此外、电气特性表中的注释2说明了当电容器大于4.7uF 时如何限制电流。 您会如何操作?


谢谢、Keith
This thread has been locked.
If you have a related question, please click the "Ask a related question" button in the top right corner. The newly created question will be automatically linked to this question.