This thread has been locked.

If you have a related question, please click the "Ask a related question" button in the top right corner. The newly created question will be automatically linked to this question.

[参考译文] DRV8353:缺少栅极驱动 PWM 信号

Guru**** 2378650 points
请注意,本文内容源自机器翻译,可能存在语法或其它翻译错误,仅供参考。如需获取准确内容,请参阅链接中的英语原文或自行翻译。

https://e2e.ti.com/support/motor-drivers-group/motor-drivers/f/motor-drivers-forum/1486164/drv8353-missing-gate-drive-pwm-signals

器件型号:DRV8353

工具与软件:

尊敬的 TI 支持团队:

与配合使用的器件 DRV8353RH  栅极驱动器并配置了以下设置:

  • MODE 引脚: 通过0Ω 连接至 GND (6x PWM 模式、图38、第40页)
  • IDRIVE: 连接至 DVDD (1/2A、图39、第40页)
  • VDS: 通过18kΩ 连接至 DVDD (VDS = 1V、图39、第40页)
  • 增益: 连接至 GND (5V/V、图38、第40页)

测得的节点电压:

  • VDVDD = 5.2V
  • 平均分量 = 52.08V
  • 虚拟机 = 15.02V (有关详细信息、请参阅第26页)

问题:
在全部6个通道和上测量的初级侧 PWM 信号为16kHz 栅极驱动器使能 相同 3.3V (指示栅极驱动器应处于活动状态)、但 缺少次级侧 PWM 栅极驱动信号 .

您能否帮助确定此问题的潜在原因?

谢谢、此致、
Himavanth Reddy

  • 请注意,本文内容源自机器翻译,可能存在语法或其它翻译错误,仅供参考。如需获取准确内容,请参阅链接中的英语原文或自行翻译。

    嗨、Himavanth、

    感谢您问这个问题。 能否详细说明一下初级侧 PWM 和次级侧 PWM 的含义?

    您是否指的是 INx 信号(主)和 GHx-SHx/GLx-SLx (辅助)?

    如果您有任何标记过的问题波形、这将有助于我们更好地理解该主题。

    此致!
    Akshay

  • 请注意,本文内容源自机器翻译,可能存在语法或其它翻译错误,仅供参考。如需获取准确内容,请参阅链接中的英语原文或自行翻译。

    如果您使用的是 IDRIVE 达到最大值、我发现该芯片很容易因 GLx 和 GND 之间的短路而损坏。 它通常应为140k 欧姆。 nFault 是否变为低电平? 损坏的栅极输出将导致栅极驱动器故障、从而将 nFault 锁存为低电平、直到您为其提供复位脉冲。

  • 请注意,本文内容源自机器翻译,可能存在语法或其它翻译错误,仅供参考。如需获取准确内容,请参阅链接中的英语原文或自行翻译。

    尊敬的 Akshay Rajeev Menon:

    非常感谢您的答复。  

    您是否指的是 INx 信号(主)和 GHx-SHx/GLx-SLx (辅助)?

    是、 INHA、INLA、INHB、INLB、 INHC 和 INLC 信号作为主信号、GHA、GLA、GHB、GLB、GHC 和 GLC 信号作为辅助信号。  

    我可以看到所有初级侧信号都以16KHz 工作、而次级侧 PWM 信号丢失。 我将在下一个回复中附上信号的屏幕截图。  

    谢谢、此致

    - Himavanth Reddy G

  • 请注意,本文内容源自机器翻译,可能存在语法或其它翻译错误,仅供参考。如需获取准确内容,请参阅链接中的英语原文或自行翻译。

    尊敬的 Kelvin:

    栅极驱动器侧没有出现任何故障。  

    " 如果 IDRIVE 处于最大值、我发现它很容易因 GLx 和 GND 之间的短路而断裂。"  如果芯片容易在 IDRIVE 达到最大值时损坏并且 nFault 为低电平、您是否有关于避免此问题的权变措施的建议? 如何选择 IDRIVE 功能的配置(即、您在配置 IDRIVE 时考虑了哪些所有参数)?

    谢谢、此致

    - Himavanth Reddy G

  • 请注意,本文内容源自机器翻译,可能存在语法或其它翻译错误,仅供参考。如需获取准确内容,请参阅链接中的英语原文或自行翻译。

    嗨、Himavanth、

    是的、请附加波形。 还请捕获 nfault。
     有用链接:

    https://e2e.ti.com/support/motor-drivers-group/motor-drivers/f/motor-drivers-forum/1176539/faq-quick-guide-to-debugging-common-issues-in-bldc-motor-drivers

    https://e2e.ti.com/support/motor-drivers-group/motor-drivers/f/motor-drivers-forum/796378/faq-selecting-the-best-idrive-setting-and-why-this-is-essential

    此致!

    Akshay

  • 请注意,本文内容源自机器翻译,可能存在语法或其它翻译错误,仅供参考。如需获取准确内容,请参阅链接中的英语原文或自行翻译。

    您好、Akshay、

    请查看下面随附的示波器屏幕截图以供参考。  

    CH1 (黄色)= INHx

    Ch2 (紫色)= GHx

    CH3 (蓝色)=故障  

    我们已将故障引脚的下降沿触发器设置为2.5V、并且在运行期间未观察到任何故障。   

    注意:   

    我们已将 Idrive 设置更改为300/Idrive  (即、600 mA R31 (DNP) R35 (>500K))。  

    这些是 FET (Qgd = 17nC、Trise = 8ns、Qg = 118nC)、如 常见问题解答中所述、我们考虑的 Trise 为100nC。  

    IDRIVE = 17nC/100ns = 170mA。   

    非常感谢在这方面提供任何帮助:)

    谢谢、此致、

    - Himavanth Reddy  

  • 请注意,本文内容源自机器翻译,可能存在语法或其它翻译错误,仅供参考。如需获取准确内容,请参阅链接中的英语原文或自行翻译。

    嗨、Himavanth、

    感谢您的答复、我将查看这些答复并提供更新。

    此致!

    Akshay

  • 请注意,本文内容源自机器翻译,可能存在语法或其它翻译错误,仅供参考。如需获取准确内容,请参阅链接中的英语原文或自行翻译。

    嗨、Himavanth、

    [报价 userid="588522" url="~/support/motor-drivers-group/motor-drivers/f/motor-drivers-forum/1486164/drv8353-missing-gate-drive-pwm-signals/5717645 #5717645"]

    注意:   

    我们已将 Idrive 设置更改为300/Idrive  (即、600 mA R31 (DNP) R35 (>500K))。  

    这些是 FET (Qgd = 17nC、Trise = 8ns、Qg = 118nC)、如 常见问题解答中所述、我们考虑的 Trise 为100nC。  

    IDRIVE = 17nC/100ns = 170mA。   

    [报价]

    300mA 会导致 VDS 的 上升和下降斜率分别为56ns 和28ns、这是非常快的、因此建议减小 IDRIVE 设置。

    您能够在波形上进行 VGS 差分测量吗? (GHx wrt SHx)、或者捕获 GHx wrt GND 和 SHx wrt GND 以及 INHx、以便我们可以判断栅极是否打开?

    此致!

    Akshay

  • 请注意,本文内容源自机器翻译,可能存在语法或其它翻译错误,仅供参考。如需获取准确内容,请参阅链接中的英语原文或自行翻译。

    您好、Akshay、

    正如在之前的回复中讨论的、我们已将 Idrive 设置更改为150mA (即通过75K 将 IDRIVE 引脚连接到接地)。

    请查看下面随附的屏幕截图。 (GHx wrt GND (黄色)、SHx wrt GND (紫色)和 GHx wrt SHx (白色))。

    非常感谢在这方面提供任何帮助:)

    谢谢、此致、

    - Himavanth Reddy G

  • 请注意,本文内容源自机器翻译,可能存在语法或其它翻译错误,仅供参考。如需获取准确内容,请参阅链接中的英语原文或自行翻译。

    嗨、Himavanth、

    您是否也要对低侧 MOSFET 进行 PWM 处理? 您能显示低侧 GLx 电压吗? 此外、您能否提供电机电流测量? 高侧 MOSFET 似乎按预期开启、但我正在尝试了解当命令高侧栅极关闭时会发生什么情况。  

    此致、

    Anthony Lodi

  • 请注意,本文内容源自机器翻译,可能存在语法或其它翻译错误,仅供参考。如需获取准确内容,请参阅链接中的英语原文或自行翻译。

    尊敬的  Anthony Lodi:

    是的、我已经尝试在全部三个相位上探测 GLx 和 SPx 信号。 我可以看到所有3个相位的两个信号都为0V、这意味着低侧 FET 未导通。  

    我已经探测了 INLx 信号、我可以看到具有预期频率的 PWM 信号。  

    非常感谢在这方面提供任何进一步帮助:)

    谢谢、此致、

    - Himavanth Reddy G

  • 请注意,本文内容源自机器翻译,可能存在语法或其它翻译错误,仅供参考。如需获取准确内容,请参阅链接中的英语原文或自行翻译。

    嗨、Himavanth、

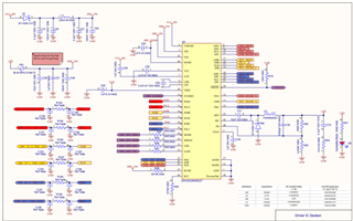
    您能否提供原理图? 您能否在 GLx 引脚与 MOSFET 栅极处探测一下是否存在差异? 您能否提供一个显示 INHx 和 INLx 信号以及 GLx 的波形?

    此致、

    Anthony Lodi

  • 请注意,本文内容源自机器翻译,可能存在语法或其它翻译错误,仅供参考。如需获取准确内容,请参阅链接中的英语原文或自行翻译。

    尊敬的 Anthony Lodi:

    请查找下面随附的原理图屏幕截图和示波器屏幕截图。  

    我们已经解决了 DRV8353RH 驱动器 IC、从而消除了冷焊点问题。  

    现在、我可以在 GLx 线上看到一些脉冲。  

    注:INLx (蓝色)、GLx (紫色)和 SPx (黄色)。 我可以看到 FET 在 PWM 导通周期内开启两次。 我无法理解为什么当 PWM 输入保持恒定时、低侧 FET 的栅极信号会打开和关闭。

    谢谢、此致、

    - Himavanth Reddy G

  • 请注意,本文内容源自机器翻译,可能存在语法或其它翻译错误,仅供参考。如需获取准确内容,请参阅链接中的英语原文或自行翻译。

    嗨、Himavanth、

    感谢其他波形! Im 很高兴您能够转售并在低侧栅极上获得更好的连接。 我怀疑在低侧栅极上获得2个脉冲的原因可能是开关期间噪声可能耦合到 INHx 信号中、从而激活击穿保护、因为看起来输入信号上有相当多的噪声。 您是否可以在测量期间添加 INHx 信号以确认在该信号上看到了什么? nFAULT 是否在任何一点变为低电平?

    此致、

    Anthony Lodi

  • 请注意,本文内容源自机器翻译,可能存在语法或其它翻译错误,仅供参考。如需获取准确内容,请参阅链接中的英语原文或自行翻译。

    尊敬的 Anthony Lodi:

    在测试过程中、nFAULT 不会变为低电平。  

    这些是 INHx wrt GND 和 INLx wrt GND 的屏幕截图。  

    谢谢、此致、

    - Himavanth Reddy Gorla  

  • 请注意,本文内容源自机器翻译,可能存在语法或其它翻译错误,仅供参考。如需获取准确内容,请参阅链接中的英语原文或自行翻译。

    嗨、Himavanth、

    这就是问题所在:当 INLx 为高电平时、INHx 为高电平、  在这种情况下、驱动器将防止低侧栅极变为高电平以防止击穿。 要打开低侧栅极、您需要确保在将低侧输入拉至高电平时高侧输入为低电平。  

    此致、

    Anthony Lodi

  • 请注意,本文内容源自机器翻译,可能存在语法或其它翻译错误,仅供参考。如需获取准确内容,请参阅链接中的英语原文或自行翻译。

    尊敬的 Anthony Lodi:

    感谢您的快速响应。  我将尝试从计时器软件配置方面解决它。

    如何选择死区时间? 您能给我指出合适的资源以便让我更清楚地理解吗?

    谢谢、此致、

    - Himavanth Reddy G

  • 请注意,本文内容源自机器翻译,可能存在语法或其它翻译错误,仅供参考。如需获取准确内容,请参阅链接中的英语原文或自行翻译。

    嗨、Himavanth、  

    听起来不错! 该器件将处理死区时间、因此如果您不想、则不必将其插入输入。 如果您希望添加额外的 MCU 死区时间、则可以测量关闭 MOSFET 和添加一些缓冲器所需的时间、并使用该数字将其用作输入死区时间。

    此致、

    Anthony Lodi

  • 请注意,本文内容源自机器翻译,可能存在语法或其它翻译错误,仅供参考。如需获取准确内容,请参阅链接中的英语原文或自行翻译。

    非常感谢您的支持:)  

  • 请注意,本文内容源自机器翻译,可能存在语法或其它翻译错误,仅供参考。如需获取准确内容,请参阅链接中的英语原文或自行翻译。

    欢迎您!

    此致、
    Anthony