工具与软件:
e2e.ti.com/.../1351.DRV87xx_2D00_Q1_5F00_Offline_5F00_OL_5F00_SC_5F00_rev1.pdf
1. DRV8718的在线和离线诊断逻辑是否有区别? 在线诊断过程中、泄漏电流是否也在3mA 周围? 是否不能关闭该电流源?
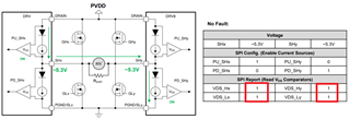
2、 附件的离线诊断针对全桥、只有 PMOS 的上拉电流源和 NMOS 的下拉电流源被打开。 故障仅为单个开路/对地短路/对电源短路。 如果全桥需要同时检测多个故障、我们是否需要配置 PMOS 和 NMOS 的上拉和下拉电流源?
3、 如果 DRV8718的输出只用于 HSD、如何进行离线诊断? 只需要配置一个上拉电流源还是一个下拉电流源?
4. 客户电路板上电后、DRV8718的端口输出未启用(这些端口也处于打开状态并且未连接到任何负载)。 当电路开路而不是 PVDD=12V 时、测得的 HSD 端口电压为5V。 您能帮助分析一下吗?
谢谢!
Raymond

