主题中讨论的其他器件: MCF8316D、 MCF8316A
工具/软件:
大家好、我正在尝试组装和使用 MCF8315A 电机驱动器 IC。
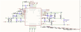
芯片电压为8V、功耗小于2mA、但不会运行。 AVDD 在输出电压为3.3V 时保持稳定。 芯片不会响应任何 I2C 命令。 我们将 SPEED/WAKE 引脚拉至高电平、因此、芯片保持睡眠模式不会出现问题。 提供以下信息的任何帮助都将是有用的。 当前 PCB 配置应遵循数据表中有关无源器件布局和布局指南建议的基本要求。
我们已经能够验证我们可以使用 MCF8315A EVM (使用 MCF8316C 芯片)移动电机。
能不能有人协助我完成我们的设计?
对于建议的电容器连接、我们遵循以下列表:
DVDD -> DGND (2.2uF)
CPL -> CPH (47nF)
VM -> CP (1 μ F)
VM -> PGND (>10 μ F)
VM—> PGND (0.1uF)
AVDD -> AGND (1uF)
未使用外部降压稳压器、因此没有为这些相关 BK 引脚放置元件。
对于建议的上拉/下拉连接、这是我们遵循的列表:
AVDD -> SDA (5.11k)
AVDD -> SCL (5.11k)
AVDD -> nFAULT (5.11k)
AGND -> DIR (100k)
AVDD—> FG (5.11k)
AGND ->制动(直接连接)
AGND 和 PGND 通过电路板右下角的物理直接短路进行连接。
我似乎不能上传图片,高兴的 DM 这些。



