工具/软件:
尊敬的团队:
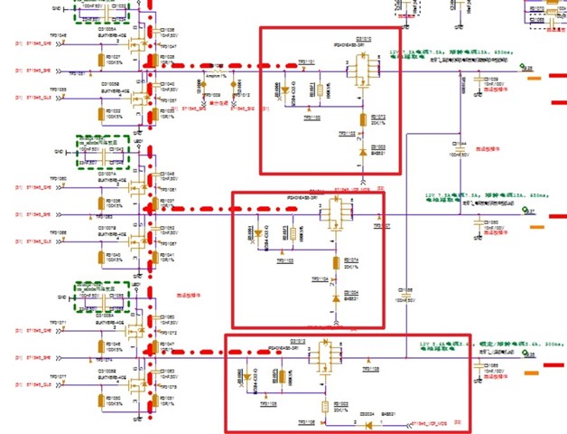
根据 OEM 的要求、我们必须在 SHx 上添加一个 MOSFET。 栅极由与20k 电阻器相连的 DRV8718电荷泵(DRV8718_VCP)控制。 抱歉、原理图不清楚。
我们想了解、添加该 MOSFET 和20k 电阻是否会影响离线诊断? 我们对阈值配置有任何建议吗?
VDS - LVL 设置为0.2V、完成此修改后、我们变为0.4V 以避免出现错误的警报。

一些关于添加此 MOSFET 的其他背景知识。 该通道正在驱动车门上的锁。 OEM 在车门把手锁装置上添加了备用电池、以避免主电池挤压导致车门锁无法释放。 添加备用电池单元后、我们需要添加此 MOSFET 作为开关、以避免两个电源轨混乱。
谢谢你
此致、
Frank
