This thread has been locked.

If you have a related question, please click the "Ask a related question" button in the top right corner. The newly created question will be automatically linked to this question.

[参考译文] DRV8849:VREF 值变化中的驱动器输出差异

Guru**** 2510095 points
Other Parts Discussed in Thread: DRV8849, DRV8462EVM

请注意,本文内容源自机器翻译,可能存在语法或其它翻译错误,仅供参考。如需获取准确内容,请参阅链接中的英语原文或自行翻译。

https://e2e.ti.com/support/motor-drivers-group/motor-drivers/f/motor-drivers-forum/1554461/drv8849-driver-output-difference-in-vref-value-changes

器件型号:DRV8849
主题: DRV8462EVM 中讨论的其他器件

工具/软件:

尊敬的团队:

我们使用 DRV8849 电机驱动器来控制步进电机。

配置:

  • 微步进:1/128

  • 速度:120 转/分

  • 步进角(θstep):0.9°

  • VREF:通过 DAC 进行控制

观察结果:

  1. 一方 VREF = 3.3V(最大 DAC 值) 、输出波形(从其中一个驱动器引脚捕获)显示正弦波中明显的电流尖峰。

  1. 一方 VREF = 0.2V 、同一引脚输出随电压输出图的变化而变化。

查询:

  • 这种较高 VREF 下的尖峰/三角波形是否是预期行为?

  • 这是否表明驱动器本身存在任何问题、或者在更高的基准电压下、这是正常的工作伪影?

  • 请注意,本文内容源自机器翻译,可能存在语法或其它翻译错误,仅供参考。如需获取准确内容,请参阅链接中的英语原文或自行翻译。

    尊敬的埃菲尔:

    感谢您的提问。  

    [报价 userid=“426488" url="“ url="~“~/support/motor-drivers-group/motor-drivers/f/motor-drivers-forum/1554461/drv8849-driver-output-difference-in-vref-value-changes
    1. 一方 VREF = 3.3V(最大 DAC 值) 、输出波形(从其中一个驱动器引脚捕获)显示正弦波中明显的电流尖峰。

    [/报价]

    VREF = 3.3 时、满量程电流 IFS 将为 1.5A。在 120RPM 时、根据所使用的电源电压、可能无法在基于 VM 电源电压以及电机 L 和 R 时间常数的微步进时间内达到每个微步进的目标电流。 对于 0.9° 步进电机、120RPM 表示 800 x 128 = 102.4kHz 阶跃输入。 正弦波电频率将为 200Hz。 解决方案是增加 VM 电源电压或降低 IFS 目标电流。 请参阅以下使用 0.9° 步进、1/128 步进模式、120RPM 时的示例捕获。 所示电压是黄色的 AOUT1、2 上的差分电压、蓝色是线圈 A 电流、绿色的 BOUT1、2 差分电压、橙色布线的线圈 B 电流。 这些测试使用 DRV8462EVM 完成、DRV8462EVM 是一款具有高达 5A 驱动电流能力的高端步进电机驱动器、用于展示步进电机的行为。  

    VM = 12V 且 VREF = 3.3V (1.5A IFS):

    您可以看到、并非所有正弦波值都能实现电流调节。

    增大 VM = 36V 且 VREF = 3.3V (1.5A IFS):

    您可以看到电流调节是可实现的、电流波形干净。  

    VM = 20V 和 VREF = 2.2V (1A IFS):

    电流调节看起来正常。 但在 18V 时、电压开始下降。  

    VM = 12V 且 VREF = 2.2V (1A IFS):

    电流调节、因此未实现波形整形。

    最后、VM = 12V 和 VREF = 1.1V (0.5A IFS):

    它几乎没有制作出来、但也不算太糟糕。

      

    较高 VREF 下的这个尖峰/三角波形是否属于预期行为?

    这是在不断变化的电源电压下采用恒定电流驱动的步进电机的预期行为。

    它是否表明驱动程序本身存在任何问题、或者它是否是在较高基准电压下的正常工作伪影?

    既不存在 VREF 伪影、也不存在任何驱动器问题。 在较高速度下、VBEMF 反电动势电压会增加并降低线圈上的可用电压、从而在短时间内达到所需的目标。 使用步进电机的 L/R 时间常数 VM、IFS 和微步进的持续时间、可以以数学方式得出该值。 谢谢你。

    此致、Murugavel

  • 请注意,本文内容源自机器翻译,可能存在语法或其它翻译错误,仅供参考。如需获取准确内容,请参阅链接中的英语原文或自行翻译。

    你好 Murugavel4637 
    我们在较低的 Vref 值,即 50(0.65V ) 下测试了波形,我们观察到它仍然不是纯正弦。

    有趣的是、仅在 Vref 值为 0 时观察到纯正弦波。
    请查看并告知我们您的反馈。

    请参阅随附的波形以供参考。

    此处、Vref 为 0.65V、电源电压为 12V。  

    这里、Vref 为 0V、电源电压为 12V。

  • 请注意,本文内容源自机器翻译,可能存在语法或其它翻译错误,仅供参考。如需获取准确内容,请参阅链接中的英语原文或自行翻译。

    嗨、Rohit、

    感谢您的跟进。

    我们在较低的 Vref 值(即 50 (0.65V) 下测试了波形、我们观察到它仍然不是纯正弦波形。

    有趣的是、仅在 Vref 值为 0 时观察到纯正弦波。
    请查看并告知我们您的反馈。

    这取决于您的应用工作条件和步进电机规格。 VM 电源电压、步进电机参数 DCR(以欧姆为单位的直流电阻)及其电感、微步进模式和步进速率或电机转速是多少? 请分享这些详细信息以供查看 — 电机数据表会有所帮助。  

    VM 电源似乎无法克服电机 BEMF 并向电机线圈驱动所需的电流电平。 DRV8849 最多可以支持 38V VM 电源轨。 您可以尝试使用 24V VM 驱动吗?  

    此致、Murugavel  

  • 请注意,本文内容源自机器翻译,可能存在语法或其它翻译错误,仅供参考。如需获取准确内容,请参阅链接中的英语原文或自行翻译。

    你好 Murugavel4637 ,


    VM 电源电压= 12V

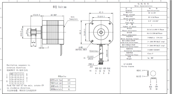
    步进电机参数 DCR(直流电阻,单位为欧姆)= 28.5 Ω/相位且其电感= 61mH/相(已附上数据表)

    微步进模式= 1/128 且步进速率或电机转速?

    您是否可以尝试使用 24V VM =板载驱动、我们不支持 24V、因此仅使用 12V 进行了测试

  • 请注意,本文内容源自机器翻译,可能存在语法或其它翻译错误,仅供参考。如需获取准确内容,请参阅链接中的英语原文或自行翻译。

    您好、  

    感谢您发送编修。 星期一 9 月 1 日是美国的国庆节。 请延迟或等待我们在星期二 US Time 上的专家分配

  • 请注意,本文内容源自机器翻译,可能存在语法或其它翻译错误,仅供参考。如需获取准确内容,请参阅链接中的英语原文或自行翻译。

    嗨、Rohit、

    感谢您提供步进电机信息。 使用 12V 电机供电时、通过线圈可实现的最大稳态电流受其 V/R 限制 对于该电机、此值为 12/28.5 = 421mA。 与 5mH 或更低的典型步进电机相比、该电机的电感也很高。 L/R 时间常数 τ 为 2.14ms。 这意味着电流至少需要 5Τ μ s 才能达到稳态值、即 5Τ= 10.7ms。 该步进电机不适合使用 12V 电源进行驱动、并达到 0.5A 的目标电流。您可能必须将电机更改为更低的电阻 (< 10Ω 和更低的电感~ 5mH)、或者将电源电压增加到 24V。这与步进驱动器 IC 无关。

    如果针对 250mA 附近的 IFS 电流将 VREF 设置得非常低、并以较低的速度运行电机、则可以使用 12V。 谢谢。

    此致、Murugavel  

  • 请注意,本文内容源自机器翻译,可能存在语法或其它翻译错误,仅供参考。如需获取准确内容,请参阅链接中的英语原文或自行翻译。

    你好 Murugavel4637 ,

    感谢您的解释。 我知道、由于电感较高、电流需要更多时间才能上升。
    不过、我想谈谈我方面的一些看法:

    • 1/128 微步进下、频率很高、因此 Ton 时间更短
    • 我们还在 1/32 微步进(较低的频率,较长的 Ton 时间)下进行了测试、但波形看起来几乎相同、没有太大变化。 请参阅随附的波形。

     

    • 有趣的是、当我们将电机转速降低~40%时、我们观察到了正确的波形。


    您能解释一下为什么当 Ton 时间增加(通过减少微步进)时我们看不到任何改善、而只有在速度降低时才会明显改善?
    期待您的意见。

  • 请注意,本文内容源自机器翻译,可能存在语法或其它翻译错误,仅供参考。如需获取准确内容,请参阅链接中的英语原文或自行翻译。

    嗨、Rohit、

    感谢您提供后续信息。  

    [引用 userid=“622292" url="“ url="~“~/support/motor-drivers-group/motor-drivers/f/motor-drivers-forum/1554461/drv8849-driver-output-difference-in-vref-value-changes/6010987 ]我们也在 1/32 微步进(较低的频率,较长的通时间)下进行了测试、但波形看起来几乎相同、没有太大变化。 请参阅随附的波形。

    这是因为线圈上可用的有效电压为 (VM - VBEMF)。 在较高速度下、VBEMF 较高、因此可用于驱动电流的电压较低、并且仍然不足以在 1/32 微步进 ton 时间内实现目标电流。

    但是我确实看到了从 1/128 到 1/32 的改进、峰值电流看起来更高、达到预期的 1/32。 但不足以实现适当的电流调节和波形整形。  

    另外、当我们将电机转速降低~40%时、我们观察到了正确的波形。

    当速度降低时、VBEMF 会降低、并且随着线圈 Itrip 电平两端的可用电压、可以在 1/32 微步进 ton 时间的 TON 时间内达到。 谢谢你。

    此致、Murugavel