This thread has been locked.

If you have a related question, please click the "Ask a related question" button in the top right corner. The newly created question will be automatically linked to this question.

[参考译文] DRV8305:DRV8305 nFAULT低

Guru**** 2378640 points
Other Parts Discussed in Thread: DRV8305
请注意,本文内容源自机器翻译,可能存在语法或其它翻译错误,仅供参考。如需获取准确内容,请参阅链接中的英语原文或自行翻译。

https://e2e.ti.com/support/motor-drivers-group/motor-drivers/f/motor-drivers-forum/566779/drv8305-drv8305-nfault-low

部件号:DRV8305

您好,TI团队:

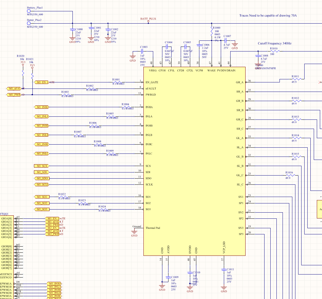
我正在尝试使用TI DRV8305NPHPR 3相电机驱动器开发电机驱动器。 此外,我还使用TI Hercules微控制器通过SPI命令它并对其寄存器进行编程。 目前我没有连接电机,但是我收到了一个由低nFAULT引脚指示的故障(我通过10k电阻将其拉至3.3V)。 请参见下面的示意图。

我能够确认EN_GATE和INHB为3.3V。

我采取的下一个逻辑步骤是尝试通过SPI读取故障寄存器。

WARNING_Watchdog重置(Adddress = 0x1)->响应0x0000

OV_VDS (地址=0x2)->响应0xFFFF

IC_Fault (地址=0x3)->响应0xFFFF

VGS_Fault (Address=0x4)->响应0xFFFF

这个问题在我拥有的所有主板中都很常见。 因此,它必须是硬件或软件初始化问题。 您是否对导致此问题的原因有任何建议?

  • 请注意,本文内容源自机器翻译,可能存在语法或其它翻译错误,仅供参考。如需获取准确内容,请参阅链接中的英语原文或自行翻译。
    您好,Robert:

    很抱歉,这部分给您带来了麻烦。 您从SPI故障寄存器获得的响应很奇怪,在寄存器0x3中,所有设备故障都使用0xFFFF设置。 您是否能够确认在SPI读取期间SO针脚正在切换?

    nFAULT上拉的3.3V电源是否正确通电?
    当部件通电并启用时,DVDD和AVDD的值是什么?
  • 请注意,本文内容源自机器翻译,可能存在语法或其它翻译错误,仅供参考。如需获取准确内容,请参阅链接中的英语原文或自行翻译。
    您好Phil:

    很抱歉Phil。 我确定SPI接口存在问题。

    现在我可以确认SPI工作正常。 现在我看到以下内容:

    WARNING_Watchdog重置(Adddress = 0x1)->响应0x0400

    OV_VDS (地址=0x2)->响应0x0000

    IC_Fault (Address=0x3)->响应0x0200

    VGS_Fault (Address=0x4)->响应0x0000

    如果您有任何见解,我们将不胜感激。
  • 请注意,本文内容源自机器翻译,可能存在语法或其它翻译错误,仅供参考。如需获取准确内容,请参阅链接中的英语原文或自行翻译。
    您好,Robert:

    感谢您提供信息。 所报告的故障是欠电压锁定故障,第7.4 1节概述了设置PVDD_UVLO2的电压阈值。

    1) DRV8305的PVDD针脚上测得的电压是多少?
    2) 用0欧姆电阻器替换R1000是否会改善此行为?
  • 请注意,本文内容源自机器翻译,可能存在语法或其它翻译错误,仅供参考。如需获取准确内容,请参阅链接中的英语原文或自行翻译。

    您好Phil:

    感谢您的建议。 我认为移除R1000可以消除故障。 nFAULT为高(好!)。 桥之间的电压约为10V。

    但是当我试图通过将微控制器的3.3V应用到R1006 (INHB)和R1008 (INHC)来驱动MOSFET时。 仅GH_B根据 INHB输入作出响应,我未收到基于INHC的GH_C作出的任何响应。  

    硬件实施:  

    en_Gate:3.3V

    n故障:3.3V

    PWRGD:3.3V

    软件实施:我确保通过SPI 6通道控制通过门驱动控制寄存器进行编程。

    UINT16 HS_Control=0x2D56;//HS门驱动器控制地址=0x5
    UINT16 LS_Control=0x3556;//LS门驱动器控制地址= 0x6
    UINT16 Gate_Drive_Control=0x3C72;//门驱动控制地址= 0x7
    UINT16 IC_Control=0x4C99;//IC操作控制地址=0x9
    UINT16分流放大器控制=0x52A0;//分流放大器控制地址= 0xA
    UINT16 Voltage_ReG_Control=0x5802;//稳压器控制地址= 0xB
    UINT16 VDS_SENSE控制=0x80A0;//VDS SENSE控制地址= 0xC

    此致,

    Robert Liu

  • 请注意,本文内容源自机器翻译,可能存在语法或其它翻译错误,仅供参考。如需获取准确内容,请参阅链接中的英语原文或自行翻译。
    您好,Robert:

    我很高兴您能够排除故障。

    对于无法切换GHC的新问题,有几个问题:

    1) 更换R1008是否可以解决此问题? 是否确定输入电压使其进入设备输入引脚(INHC)?
    2) 用0欧姆电阻器替换R1013是否解决了这个问题?