Other Parts Discussed in Thread: DRV8814, DRV8840
主题中讨论的其他部件: DRV8840
[url=https://hizliresim.com/2JOQm2][img]i.hizliresim.com/.../url]
您好,
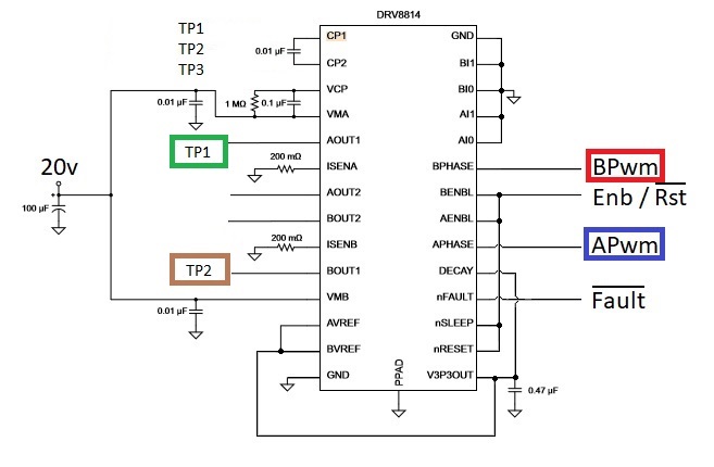
我使用DRV8814,您会看到我的示意图。 我不想使用IC的斩波器属性。
因此,我将Avref和Bvref针脚连接到3V3。 A1,A0,B1,B0引脚连接至GND。
此电路不工作。
CP1和CP2针脚电压接近零伏。 VCP针脚电压约为1.5 伏。
有什么问题,但我没有发现。 我尝试了不同的IC,但问题仍然存在。


