This thread has been locked.

If you have a related question, please click the "Ask a related question" button in the top right corner. The newly created question will be automatically linked to this question.

[参考译文] DRV8307:驱动波形异常

Guru**** 2476335 points
Other Parts Discussed in Thread: DRV8307

请注意,本文内容源自机器翻译,可能存在语法或其它翻译错误,仅供参考。如需获取准确内容,请参阅链接中的英语原文或自行翻译。

https://e2e.ti.com/support/motor-drivers-group/motor-drivers/f/motor-drivers-forum/1242172/drv8307-the-drive-waveform-is-abnormal

器件型号:DRV8307

大家好、

UHS_GATE:/resized-image/__size/640x480/__key/communityserver-discussions-components-files/138/pastedimage1687850521078v3.png

ULS_GATE:  

当 PWM 占空比低于20时、电机无法启动。  

连接电路图

您可以帮助检查一下吗?

此致、

安妮  

  • 请注意,本文内容源自机器翻译,可能存在语法或其它翻译错误,仅供参考。如需获取准确内容,请参阅链接中的英语原文或自行翻译。

    尊敬的 Annie:

    我需要一些时间来研究这个问题。 我将最迟在星期五与您联系。

    此致、

    约书亚

  • 请注意,本文内容源自机器翻译,可能存在语法或其它翻译错误,仅供参考。如需获取准确内容,请参阅链接中的英语原文或自行翻译。

    尊敬的 Annie:

    原理图图像有点模糊、您能否提供更清晰的图像版本?

    [quote userid="41964" url="~/support/motor-drivers-group/motor-drivers/f/motor-drivers-forum/1242172/drv8307-the-drive-waveform-is-abnormal uls_gate:

    是否有一个捕获链接后的评论,如与 UHS-GATE :?

    谢谢!

    约书亚

  • 请注意,本文内容源自机器翻译,可能存在语法或其它翻译错误,仅供参考。如需获取准确内容,请参阅链接中的英语原文或自行翻译。

    你好、Joshua、

    ULS_GATE:/resized-image/__size/640x480/__key/communityserver-discussions-components-files/138/pastedimage1688001655605v3.png

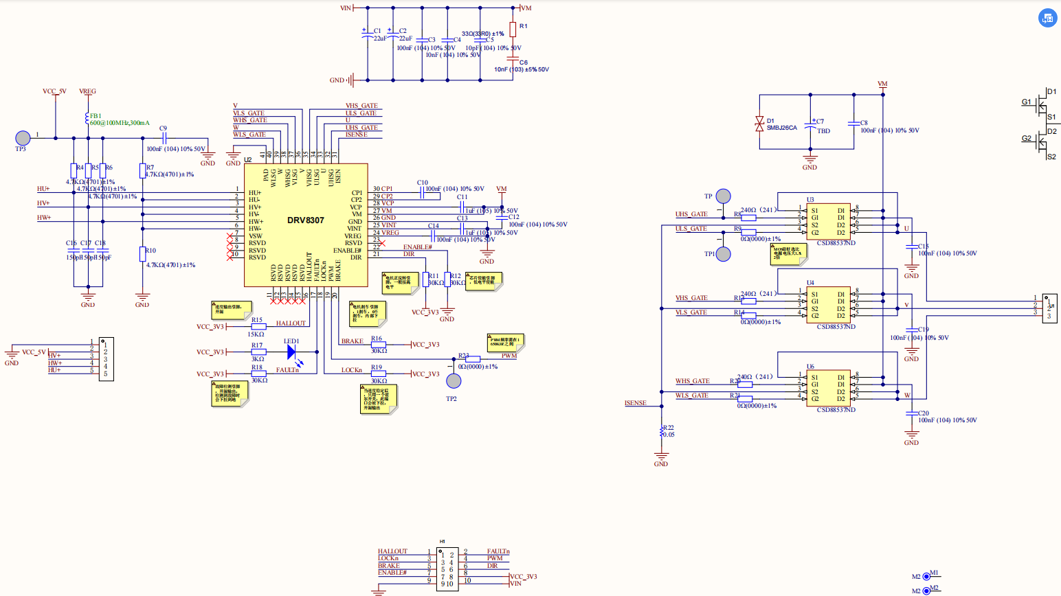
    原理图 :/resized-image/__size/1920x1080/__key/communityserver-discussions-components-files/138/pastedimage1688002017544v5.png

    霍尔传感器输入正常。 DRV8307芯片已更换、波形一致。 PCB 几次改变后、波形也是一样的。

    此致、

    安妮

  • 请注意,本文内容源自机器翻译,可能存在语法或其它翻译错误,仅供参考。如需获取准确内容,请参阅链接中的英语原文或自行翻译。

    尊敬的 Annie:

    谢谢您的图片、我会查看这些图片、最迟在下周四前得到您的回复。

    此致、

    约书亚

  • 请注意,本文内容源自机器翻译,可能存在语法或其它翻译错误,仅供参考。如需获取准确内容,请参阅链接中的英语原文或自行翻译。

    尊敬的 Annie:

    尝试将电机驱动至低于20%占空比时、FAULTn 引脚是否变为低电平?

    在栅极导通之前、高侧栅极信号似乎出现尖峰。 是否可以提供包含 xHSG、相电压和 xLSG 的捕捉?

    在原理图中、VM 似乎没有47uF 或数据表中建议的更大的大容量电容、 C7的值是否大于47uF?

    此致、

    约书亚

  • 请注意,本文内容源自机器翻译,可能存在语法或其它翻译错误,仅供参考。如需获取准确内容,请参阅链接中的英语原文或自行翻译。

    尊敬的 Annie:  

    您是否仍需要有关此问题的进一步帮助?
    如果没有其他问题、请将该主题标记为已解决。 谢谢。

    此致、  
    安德鲁