This thread has been locked.

If you have a related question, please click the "Ask a related question" button in the top right corner. The newly created question will be automatically linked to this question.

[参考译文] BOOSTXL-DRV8323RH:RC 缓冲器电路与 VDS 压摆率的关系?

Guru**** 2398695 points
Other Parts Discussed in Thread: DRV8323

请注意,本文内容源自机器翻译,可能存在语法或其它翻译错误,仅供参考。如需获取准确内容,请参阅链接中的英语原文或自行翻译。

https://e2e.ti.com/support/motor-drivers-group/motor-drivers/f/motor-drivers-forum/1435689/boostxl-drv8323rh-rc-snubber-circuit-and-vds-slew-rate-relationship

器件型号:BOOSTXL-DRV8323RH
主题中讨论的其他器件:DRV8323

工具与软件:

您好!

我有一个带有 IDRIVE 设置(测量值为1.64v)的定制电路板、即 VI4 120/Qgd 和240mA ~8nc、因此 通过计算 、tRISE 应是66ns、tFALL 是4ns、但实际测量值是~ 300ns。

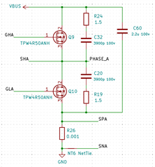
我的问题是为什么它是巨大的不同? 是因为我的 RC 缓冲器电路?  

IDRIVE 设置测量值为1.64v

MOSFET Qgd

示波器上测得的值大于300ns  

RC 缓冲器电路  

Danny

  • 请注意,本文内容源自机器翻译,可能存在语法或其它翻译错误,仅供参考。如需获取准确内容,请参阅链接中的英语原文或自行翻译。

    尊敬的 Danny:  

    感谢您的提问。   

    缓冲电路不应显著影响 MOSFET 驱动能力、但是布局设计可能会引入栅极电荷寄生效应、这可能会增加转换所需的时间。  

    增大 IDRIVE 设置是否会进一步将压摆率提高到所需的水平?  

    此致、  

    -约书亚

  • 请注意,本文内容源自机器翻译,可能存在语法或其它翻译错误,仅供参考。如需获取准确内容,请参阅链接中的英语原文或自行翻译。

    你好、Joshua:

    感谢您的快速响应、现在我已将 IDRIVE 更改为2.73v ( 未组装的 R14和 1140 mA)、即模式6 570/IDRIVE

    参数保持不变

    adcData。 VdcBus_V:24V
    flagEnableSpeedCtrl:1.
    Ref_Hz:100Hz

    MotorSetVars_M1.MotorSet40569478。Rs_Ohm 0.0640569478
    motorSetVars_M1.Ls_d_H 0.000108730936
    motorSetVars_M1.Ls_q_H 0.000108730936
    motorSetVars_M1.flux_VpHz 0.060077168

    测量两个 MOSFET VDS 的上升和下降时间  

                 模式6模式  4

    顶部 MOSFET tRise    :480ns 470ns   
    底部 MOSFET tFall   :480ns 470ns   

    Top MOSFET tFall    :330ns 640ns   
    底部 MOSFET tRise  :330ns 640ns    

    是的 IDRIVE 设置改变了它的位改变了 Vds 的转换率,但与 示波器上显示的实际时间相比,它是巨大的不同...

    根据 DRV8323栅极驱动公式、它应该是:

    tRISE: 8/0.57=14ns   

    tFALL: 8/1.14=7ns  

    你能告诉我是正常还是 有什么问题吗?  

    Danny

     

  • 请注意,本文内容源自机器翻译,可能存在语法或其它翻译错误,仅供参考。如需获取准确内容,请参阅链接中的英语原文或自行翻译。

    尊敬的 Danny:  

    感谢您的答复和更新。  

    在驱动能力和波形方面似乎不存在功能问题、因为我们通常建议大多数应用将上升/下降时间保持在100-300ns 内。

    不过、根据您实现的设置、我们预计压摆率会更急剧地增加、因此、我认为测量我们驱动器的栅极电流输出确实是有益的、这样才能观察 IDRIVE 是否未根据所选设置正确输出(栅极实际上输出在120/240或570/IDRIVE 处测量的电流1140mA)  

    这种测量可以通过引入小型(<20 Ω)栅极电阻器并测量通过它的电流来完成。  

    如前所述、 布局设计还可能会引入大寄生电容、从而增加有效栅极电荷、进而导致更长的压摆时间。  

    我们正在努力解决此问题、期待收到您的反馈。

    此致、

    -约书亚

  • 请注意,本文内容源自机器翻译,可能存在语法或其它翻译错误,仅供参考。如需获取准确内容,请参阅链接中的英语原文或自行翻译。

    你好、Joshua:

    此电路板上没有栅极电阻器、我将准备下一个版本的电阻器用于 IDRIVE 电流测量、并告诉您结果。

    Danny

  • 请注意,本文内容源自机器翻译,可能存在语法或其它翻译错误,仅供参考。如需获取准确内容,请参阅链接中的英语原文或自行翻译。

    你好、Joshua:

    另一个问题如果我在我的下一个板中添加栅极电阻器 ,由于缺乏空间问题,我只能添加到低侧 MOSFET ,例如20欧姆,我恐怕这会导致上和下 MOSFET 之间的 Vds 不平衡? 或影响它的死区时间?  

    Danny