This thread has been locked.

If you have a related question, please click the "Ask a related question" button in the top right corner. The newly created question will be automatically linked to this question.

[参考译文] MCF8329A:无槽电机的无传感器矢量控制

Guru**** 2395595 points
Other Parts Discussed in Thread: MCF8329A

请注意,本文内容源自机器翻译,可能存在语法或其它翻译错误,仅供参考。如需获取准确内容,请参阅链接中的英语原文或自行翻译。

https://e2e.ti.com/support/motor-drivers-group/motor-drivers/f/motor-drivers-forum/1427091/mcf8329a-sensorless-vector-control-of-slotless-motors

器件型号:MCF8329A

工具与软件:

你(们)好、

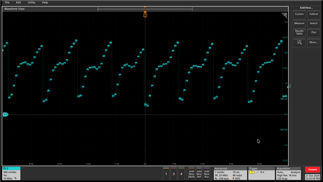
我正在尝试使用 MCF8329A 驱动无槽电机。 虽然我在使用不同的槽形电机时获得了良好的正弦波电流、但我使用了芯片(同时使用 TI 的标准演示板和具有相同芯片的定制板)。当我使用无槽电机时、结果相当黑。 相电流(使用电流探头和示波器测量)噪声极大;ID 有一个 SAW 形状、其中正弦频率而非 调节为0、而 IQ 有一条可接受的相对稳定的线(并不完美、但远离 ID 形式)。 您知道这是否由无槽电机结构导致的吗? 您是否知道导致此行为的原因? 这些是相电流的图片以供参考:

1.无槽马达

2.开槽马达:

如果您需要任何其他信息、请告诉我。

此致、

Alexander。

  • 请注意,本文内容源自机器翻译,可能存在语法或其它翻译错误,仅供参考。如需获取准确内容,请参阅链接中的英语原文或自行翻译。

    尊敬的 Alexander:

    无槽电机的电感和电阻是多少?

    不依赖于开槽/无槽电机。

    无槽电机具有较高的惯性、通常电感会较小。

    您是否能够共用电机的电气规格(电阻和电感)以及额定电压(电压、电流和转速)?

    谢谢、此致

    Venkatadri S.

  • 请注意,本文内容源自机器翻译,可能存在语法或其它翻译错误,仅供参考。如需获取准确内容,请参阅链接中的英语原文或自行翻译。

    尊敬的 Venkatadri:

    感谢您的参与。 我测试了2个无槽电机:

    1. R = 0.94 Ω、L = 0.104mH、24V、1.67A、10000 RPM。
    2. R = 0.39 Ω、L = 0.035mH、24V、1.73A、41000 RPM。

    这两者具有相似的"正弦"形状相电流、Id 和 Iq 形式(在上面的描述中有问题的)。

    我测试了一些不同的槽形电机、它们的运行方式都"正常"。 具有最接近槽形参数的参数是:

    1. R = 0。 548 Ω、L = 0.119mH、24V、2.8A、35 500 RPM。

    由于所有开槽电机都具有预期的行为、而无槽电机没有预期的行为、因此我想问您是否知道出现这些行为的原因。

    如果您对图中 ID 形状的原因有任何建议(DACOUT1处于双极- 1.5V 偏移模式)、请告诉我。

    此致、

                Alexander

  • 请注意,本文内容源自机器翻译,可能存在语法或其它翻译错误,仅供参考。如需获取准确内容,请参阅链接中的英语原文或自行翻译。

    尊敬的 Alexander:

    您能否提供无槽电机器件型号?  

    谢谢、此致

    Venkatadri S.

  • 请注意,本文内容源自机器翻译,可能存在语法或其它翻译错误,仅供参考。如需获取准确内容,请参阅链接中的英语原文或自行翻译。

    LIN SLU22CH048-24

    2. MOON ECH16056H24-S001

  • 请注意,本文内容源自机器翻译,可能存在语法或其它翻译错误,仅供参考。如需获取准确内容,请参阅链接中的英语原文或自行翻译。

    尊敬的 Alexander:

    感谢您分享详细信息。

    我来核对一下细节。

    谢谢、此致

    Venkatadri S.

  • 请注意,本文内容源自机器翻译,可能存在语法或其它翻译错误,仅供参考。如需获取准确内容,请参阅链接中的英语原文或自行翻译。

    尊敬的 Alexander:

    您能否共享您已创建的 JSON 文件?

    您是否启用了弱磁或 MTPA?

    对于无槽电机、可能为 LD=LQ。

    您还可以测量三个绕组上的电感、例如 L_UV (U 和 V 绕组上的电感)、L_VW、L_WU   

    谢谢、此致

    Venkatadri S.

  • 请注意,本文内容源自机器翻译,可能存在语法或其它翻译错误,仅供参考。如需获取准确内容,请参阅链接中的英语原文或自行翻译。

    尊敬的 Venkatadri:

    感谢您的参与。

    我已实施您的所有建议: DIG_DEAD 时间为500ns、 PWM 频率为15KHz、 CURR_LOOP_KP 和 CURR_LOOP_KI 为0、禁用 MTPA。 遗憾的是、与之前的形状相比、相电流形状和 ID 形状没有变化、仍然不可接受。

    我还测试了 CTRL_MODE ="电流模式"。 同样、 相电流形状与我初始示波器所显示的形状相同。

    您是否知道导致此行为的原因? 您是否曾成功运行具有类似参数(如  LIN SLU22CH048-24或 MOONS ECH16056H24-S001 )的电机?

    如果需要、我可以根据您指定的任意 DAC1设置打印任何 ALGORITHM_variables Register、然后发送给您、只是让我知道确切内容。

    此致、

    Alexander。

  • 请注意,本文内容源自机器翻译,可能存在语法或其它翻译错误,仅供参考。如需获取准确内容,请参阅链接中的英语原文或自行翻译。

    尊敬的 Alexander:

    CURRENT_PI 值是多少? 您可以在"算法"控制部分找到该变量。

    如果我们已在闭环3寄存器中将0编程为 CURRENT_LOOP_KP 和 KI、器件将计算 KP、KI 并更新寄存器 CURRENT_PI。

    PWM 频率可以增加到30kHz、我们稍后将尝试、先检查计算得出的电流 PI、然后对其进行调整。

    明天我将介绍相关程序。

    谢谢、此致

    Venkatadri S.

  • 请注意,本文内容源自机器翻译,可能存在语法或其它翻译错误,仅供参考。如需获取准确内容,请参阅链接中的英语原文或自行翻译。

    尊敬的 Venkatadri:

    CURRENT_PI 值为 0x031003F0。

    此致、

    Alexander。

  • 请注意,本文内容源自机器翻译,可能存在语法或其它翻译错误,仅供参考。如需获取准确内容,请参阅链接中的英语原文或自行翻译。

    尊敬的 Alexander:

    电流环路增益似乎非常低、您能否共享 CLOSED_LOOP3值?

    谢谢、此致

    Venkatadri S.

  • 请注意,本文内容源自机器翻译,可能存在语法或其它翻译错误,仅供参考。如需获取准确内容,请参阅链接中的英语原文或自行翻译。

    尊敬的 Venkatadri:

    CLOSED_LOOP3 值为0x20F918F2

    此致、

    Alexander。

  • 请注意,本文内容源自机器翻译,可能存在语法或其它翻译错误,仅供参考。如需获取准确内容,请参阅链接中的英语原文或自行翻译。

    尊敬的 Alexander:

    这已经有 CURR_LOOP_KP 和 KI 值、您是否可以清除 CURR_LOOP_KP 和 CURR_LOOP_KI 值、以便器件在内部计算最佳拟合值。

    我们可以期待更好的增益,这意味着增加带宽,它可以更好地控制 Id。

    谢谢、此致

    Venkatadri S.

  • 请注意,本文内容源自机器翻译,可能存在语法或其它翻译错误,仅供参考。如需获取准确内容,请参阅链接中的英语原文或自行翻译。

    尊敬的 Alexander:

    我需要分析这个问题、由于电机中的磁化电流增大并且温度升高而导致电流过高。

    我不记得我是否询问了您正在使用的 EVM RSENSE 值?

    您能分享一下电路板的形象和价值吗?

    谢谢、此致

    Venkatadri S.

  • 请注意,本文内容源自机器翻译,可能存在语法或其它翻译错误,仅供参考。如需获取准确内容,请参阅链接中的英语原文或自行翻译。

    尊敬的 Venkatadri:

    该 EVM 是标准 TI 电路板、只是 R sense 从1m Ω 更改为10m Ω。  

    此致、

    Alexander。

  • 请注意,本文内容源自机器翻译,可能存在语法或其它翻译错误,仅供参考。如需获取准确内容,请参阅链接中的英语原文或自行翻译。

    尊敬的 Alexander:

    感谢您的确认。

    我需要就这个问题进行一些头脑风暴,我会要求我几天。

    我正在向您发送朋友请求。

    谢谢、此致

    Venkatadri S.