This thread has been locked.

If you have a related question, please click the "Ask a related question" button in the top right corner. The newly created question will be automatically linked to this question.

[参考译文] DRV2511-Q1:DRV2511-Q1异常输出

Guru**** 2609895 points


请注意,本文内容源自机器翻译,可能存在语法或其它翻译错误,仅供参考。如需获取准确内容,请参阅链接中的英语原文或自行翻译。

https://e2e.ti.com/support/motor-drivers-group/motor-drivers/f/motor-drivers-forum/1469437/drv2511-q1-drv2511-q1-abnormal-output

器件型号:DRV2511-Q1

工具与软件:

您好、先生

问题:

1.我们使用 PVDD 5V 向 DRV2511输入正电压 PWM 信号(0~3V3)=>驱动器可以将正常输出幅度从3V3调到5V

2.由于 PVDD 6~18V =>驱动器将产生植入式波形而不是正常的 PWM 波形。

  =>我们确认 PVDD 的电源充足。

  =>您可以帮助解决这个问题吗?

条件:

1.驱动器输出:空载

2.我们的原理图可显示为附文。(遵循 DRV2511 EVM 和器件)

3.设置

- FS1、FS2 =低电平

-待机=低

-增益= 20k Ω 至接地

 - Reg = 1uF 至接地

  • 请注意,本文内容源自机器翻译,可能存在语法或其它翻译错误,仅供参考。如需获取准确内容,请参阅链接中的英语原文或自行翻译。

    1、附件是我们的原理图

    2. PVDD = 5V、正常的驱动器输出

    PVDD = 6V、驱动器输出异常

  • 请注意,本文内容源自机器翻译,可能存在语法或其它翻译错误,仅供参考。如需获取准确内容,请参阅链接中的英语原文或自行翻译。

    您好!

    感谢您的咨询。 我在这里要做几件事来找出根本原因。  

    您可以监控 INTZ 引脚吗? 当 PVDD 增加至6V 时、它是否变为低电平?
    如果将 PVDD 重新降低至5V、它是否会恢复正常工作?
    如果负载移除、是否仍然会出现中止输出?

    此致、
    悉尼诺斯卡特  

  • 请注意,本文内容源自机器翻译,可能存在语法或其它翻译错误,仅供参考。如需获取准确内容,请参阅链接中的英语原文或自行翻译。

    你(们)好悉尼   

    可以监控 INTZ 引脚吗? 当 PVDD 增加至6V 时、它是否变为低电平?

      =>在 PVDD = 5和6.5V 时检查 INTZ、INTZ 保持高电平3V3状态。 此外、我们还检查将引脚设置为表1。

    表1.

    PVDD       | 5V     6V5.

    驱动器输出|正常|异常

    --------------------------------------------------------

    使能       3V3 | 3V3    

    待机      | 0V     | 0V

    INTZ        3V3 | 3V3    

    FS0、1、2     | 0V     | 0V  

    IN+、IN-      | PWM  | PWM

    --------------------------------------------------------

    2.如果将 PVDD 降低到5V、是否恢复正常工作?

      =>是、因为 PVDD 5~6V     =>驱动器正常输出

               PVDD 6.xx~18V =>驱动器输出异常

    3. 如果负载被移除,是否仍然出现异常输出?

      =>测试条件:空载。

    4. BTW、我们将 FS0、FS1、FS2、STD 引脚通过 R10k 下拉连接到 GND。

      您是否有建议的下拉 R 值参考 原始 EVM 设计(连接到 MCU MPS430的 GPIO)?  

  • 请注意,本文内容源自机器翻译,可能存在语法或其它翻译错误,仅供参考。如需获取准确内容,请参阅链接中的英语原文或自行翻译。

    PVDD = 5V、INTZ = 3V3

    PVDD = 6V5、INTZ = 3V3

  • 请注意,本文内容源自机器翻译,可能存在语法或其它翻译错误,仅供参考。如需获取准确内容,请参阅链接中的英语原文或自行翻译。

    您好!  

    4. BTW、我们将 FS0、FS1、FS2、STD 引脚通过 R10k 下拉连接到 GND。

      您是否有建议的下拉 R 值参考 原始 EVM 设计(连接到 MCU MPS430的 GPIO)?  

    [报价]

    我认为10k 是可以的。  

    需要测量 RC 滤波器的输出吗? 您是否能够测量 D 类放大器的输出(开关频率应为400kHz)? 我想知道这是否是测量滤波器的问题。

    此致、
    悉尼诺斯卡特  

  • 请注意,本文内容源自机器翻译,可能存在语法或其它翻译错误,仅供参考。如需获取准确内容,请参阅链接中的英语原文或自行翻译。

    你(们)好悉尼

    我们测量了两个输出(使用和不使用滤波器)

    几乎相同。


    PVDD=5V 和6V5的行为与上图相同。

    此外、PVDD=6V5波形看起来像是驱动器处于激活状态的某种模式、并且未在规格上说明。 规则的。

    您可以帮助检查在什么模式下可以激活 PVDD=6V5异常波形吗?

    谢谢你

    此致

    JAX

  • 请注意,本文内容源自机器翻译,可能存在语法或其它翻译错误,仅供参考。如需获取准确内容,请参阅链接中的英语原文或自行翻译。

    尊敬的 Jax:

    有和没有滤波器的输出波形应不同。 我认为也不应该有任何模式开关。  

    如果没有滤波器、应该有400kHz 开关。 有了该滤波器、高频分量就会被滤除、您将看到与输入信号类似的信号。  

    您可以在这里用 OUT+和 OUT-探测 IN+和 IN-吗?

    此致、
    悉尼诺斯卡特  

  • 请注意,本文内容源自机器翻译,可能存在语法或其它翻译错误,仅供参考。如需获取准确内容,请参阅链接中的英语原文或自行翻译。

    你(们)好悉尼  

    您可以在这里用 OUT+和 OUT-探测 IN+和 IN-吗?

    1.您能提供 IN+和 IN-以及 OUT+和 OUT-测试点吗?

      例如:

      测量 IN+       => TP:IN+至 GND

      测量 IN+和 IN-  => TP:IN+至 IN-

     

    2.我们发现 DAC 信号将由螺线管驱动上拉、PVDD > 6V3

    =>为什么 IN+和 IN-将0V4上拉为 PVDD > 6V5并从6V5~18V 保持0V4?

     

    条件:

    我们在下面跳过0欧姆的 IN+、IN-滤波器电路

    我们向驱动器播放 DAC1 PWM、而 DAC2保持0V

    PVDD = 5V、两个 DAC 信号均正常(TP:DAC1至 GND、DAC2至 GND)

    由于 PVDD > 6V3、因此两个 DAC 信号到驱动器均上拉(TP:DAC1至 GND、DAC2至 GND)

    (TP DAC1至 DAC2)

    导致误差 PA 结果。

  • 请注意,本文内容源自机器翻译,可能存在语法或其它翻译错误,仅供参考。如需获取准确内容,请参阅链接中的英语原文或自行翻译。

    尊敬的 Jax:

    让我检查一下上拉部分的设计。  

    我认为这可能是欠压问题。 欠压保护不会触发 INTZ 引脚且会自行清除。 我认为、以与输入相同的频率运行输出脉冲是由于此保护自清除功能在故障清除后会再次触发、但下次信号为高电平时会再次触发输出脉冲。  

    您是否能够在 观察错误的同时探测 PVDD? 您也可以 尝试使用外部电源并查看问题是否仍然存在。  

    此致、
    悉尼诺斯卡特  

  • 请注意,本文内容源自机器翻译,可能存在语法或其它翻译错误,仅供参考。如需获取准确内容,请参阅链接中的英语原文或自行翻译。

    你(们)好悉尼   

    可能如下图所示。  

    PVDD = 5V、具有 INTZ、DAC+、 驱动器 VOUT+至 GND

     

    PVDD = 7V5、带 INTZ、DAC+、 驱动器 VOUT+至 GND

    此致

    Jax Lin

  • 请注意,本文内容源自机器翻译,可能存在语法或其它翻译错误,仅供参考。如需获取准确内容,请参阅链接中的英语原文或自行翻译。

    尊敬的 Jax:

    感谢您尝试这些测试。 让我在我的终端也尝试一些事情。

    您是否有可以尝试的负载? 我很想知道答案是否相同。  

    此外、您可以提供布局以便快速回顾吗?  

    此致、
    悉尼诺斯卡特

  • 请注意,本文内容源自机器翻译,可能存在语法或其它翻译错误,仅供参考。如需获取准确内容,请参阅链接中的英语原文或自行翻译。

    你(们)好悉尼   

    1.悉尼:你有可以尝试的负载吗? 我很想知道答案是否相同。  

      => Jax:空载

    2. Sydney:您能提供您的布局以便快速查看吗?  

      => Jax:如下图所示。 谢谢你

    3. jax:我们发现 DAC 将受到影响@ PVDD >= 6V5。

           这种情况不会在 TI EVM 板上发生。 如果输入= 0V、EVM 输出将保持0V~PVDD5@18V。

    短路

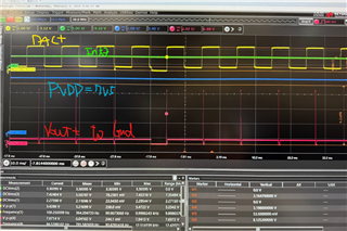
      a.关闭 DAC+和 DAC- 并使 PVDD = 5V、=>按预期、驱动器 I/O 等于0V

      b.当 PVDD > 6V5时、DAC+、DAC-、Vout+和 Vout-将立即更改为以下波形。 DAC+和 DAC-无法保持0V。

    L1

    L2 (GND)

    L3

    L4

  • 请注意,本文内容源自机器翻译,可能存在语法或其它翻译错误,仅供参考。如需获取准确内容,请参阅链接中的英语原文或自行翻译。

    您好!

    感谢您的布局。 当我下周回到办公室时、我会对这些内容进行回顾。  

    您是否 也在 EVM 上看到 PVDD > 6.5V 时的异常行为? 或者这是否仅在您的 PCB 设计上观察到?  

    如果您在电路板上的外部提供输入信号、问题是否仍然存在? 大家 在这里看到的电路板和 EVM 存在差异、我相信这将是下一个 测试。

    此致、
    悉尼诺斯卡特