This thread has been locked.

If you have a related question, please click the "Ask a related question" button in the top right corner. The newly created question will be automatically linked to this question.

[参考译文] DRV8873HEVM:独立接地?

Guru**** 2604225 points
Other Parts Discussed in Thread: DRV8873

请注意,本文内容源自机器翻译,可能存在语法或其它翻译错误,仅供参考。如需获取准确内容,请参阅链接中的英语原文或自行翻译。

https://e2e.ti.com/support/motor-drivers-group/motor-drivers/f/motor-drivers-forum/1479377/drv8873hevm-independent-grounds

器件型号:DRV8873HEVM
主题中讨论的其他器件:DRV8873

工具与软件:

大家好、我想使用此 IC 来控制螺线管和有刷直流电机。

我对此有几个问题:

1 -在本例中、我有一个用于微控制器的电源和另一个用于传动器的电源、所以有不同的接地。 此 IC 与此相关吗? 如果正确、散热焊盘应连接到哪个 GND?

我想将6个并行排列、是否可以一次性设置所有这些 IC 的控制模式? 假设使用一根2x3跳线、如下所示。

输入端的3-3V 完全可以获得 总电流容量?

BR

  • 请注意,本文内容源自机器翻译,可能存在语法或其它翻译错误,仅供参考。如需获取准确内容,请参阅链接中的英语原文或自行翻译。

    您好、Juan:

    [报价 userid="643880" url="~/support/motor-drivers-group/motor-drivers/f/motor-drivers-forum/1479377/drv8873hevm-independent-grounds ]1 -在本例中、我有一个微控制器电源和另一个传动器电源、因此有不同的接地。 此 IC 与此相关吗? 如果正确、散热焊盘应连接到哪个 GND?[/QUOT]

    为微控制器和执行器单独接地很好。 我建议将散热焊盘连接到执行器接地覆铜/平面。 电机驱动器电路板布局布线最佳实践的第1节介绍了使用分离接地进行设计的一些建议。

    Unknown 说:
    2-我正在考虑并行排列6个、是否可以同时设置所有 IC 的控制模式?

    这应该没问题、并且应该将所有 IC 控制模式设置为相同的设置。 尽管 对于 DVDD 网络、我建议仅使用一个 DVDD 引脚、因为将它们连接在一起可能会导致问题。

    [quote userid="643880" url="~/support/motor-drivers-group/motor-drivers/f/motor-drivers-forum/1479377/drv8873hevm-independent-grounds 3、3v 输入正确可以获得 总电流容量?

    我想您想问、EN/IN1和 PH/IN2是否设置为3.3V、是否会驱动最大电流? 仅当负载连接 在 OUTx 引脚和 GND 之间时、才会如此。 如果我误解了您的问题、请告诉我。

    此致、

    约书亚

  • 请注意,本文内容源自机器翻译,可能存在语法或其它翻译错误,仅供参考。如需获取准确内容,请参阅链接中的英语原文或自行翻译。

    你好 Joshua ,谢谢你的反馈。

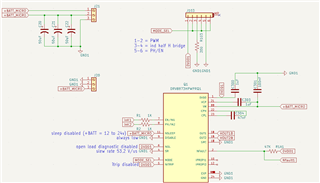
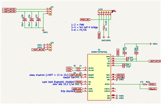
    您能否对下面的布局/架构进行检查?

    其中有6个 IC 芯片、在 nr1和2的下方布局中、其余芯片是相同的。

    在架构中仅表示 nr1。

    对于"PWM"模式、来自 IC 的 DVDD nr1用于所有 IC。

    电源上的微控制器接地和输出接地将紧密相连。

    我还有几个问题:

    1-对于"H"版本、当过流保护被触发时、应该如何复位或恢复芯片?

    2-如前所述、EN/IN1和 PH/IN2将由3.3v 信号控制、对于 PWM 频率范围0,15KHz 至20Khz、1k 电阻器是可以接受的。

    BR

    Juan

  • 请注意,本文内容源自机器翻译,可能存在语法或其它翻译错误,仅供参考。如需获取准确内容,请参阅链接中的英语原文或自行翻译。

    抱歉、架构下方稍微清楚一点

    Juan

  • 请注意,本文内容源自机器翻译,可能存在语法或其它翻译错误,仅供参考。如需获取准确内容,请参阅链接中的英语原文或自行翻译。
    您能否对下面的布局/架构进行检查?

    我需要一些时间来回顾这些内容。 我将在3-4之前向您提供更新。

    针对"H"版本触发过流保护时的应如何重置或恢复芯片?

    您必须在 nSLEEP 引脚上提供一个脉冲、以清除故障、但不能关断器件。 我建议在 nsleep 上使用25us 复位脉冲、以避免关断 DRV8873并能够清除故障

    EN/IN1和 PH/IN2将由3,3v 信号控制、1k 电阻即可用于 PWM 频率范围0,15KHz 到20Khz ?

    我们通常在 EN/IN1和 PH/IN2引脚上不会看到串联电阻器。 这应该没有问题、但除非您有理由添加此电阻、否则应该不需要添加这些电阻器。 该串联电阻会减慢输入信号的速度、但它应该不会导致任何问题。

    此致、

    约书亚

  • 请注意,本文内容源自机器翻译,可能存在语法或其它翻译错误,仅供参考。如需获取准确内容,请参阅链接中的英语原文或自行翻译。

    尊敬的 Juan:

    我查看了原理图和布局。 我关于原理图的注意事项如下:

    • nSLEEP 的绝对最大额定值为5.7V、当直接连接到12-24V 时、将超出该额定值、我建议使用电阻分压器。 谨记、将 nSLEEP 绑定为高电平将使清除故障需要下电上电。

    我关于 布局的注意事项如下:

    • 我建议从 DRV8873的散热焊盘提供尽可能多的连续开路 GND。 这将有助于散发 DRV8873产生的热量。 目前、顶部使用 MODE 穿孔选择器和 DRV8873下面的 VM 线连接器对 GND 进行了薄处理。

    除了以上、一切都很好。

    此致、

    约书亚

  • 请注意,本文内容源自机器翻译,可能存在语法或其它翻译错误,仅供参考。如需获取准确内容,请参阅链接中的英语原文或自行翻译。

    您好 Josua、感谢您的反馈。

    经过一些研究、我打算改用 DRV8243/44、在相同尺寸下提供更大的功率、但并没有大的差异。

    这是正确的吗?  

    顺便说一下、我认为针对该主题所做的所有说明对该芯片也很有用、我会在新主题中提出一些新问题。

    BR

    Juan

  • 请注意,本文内容源自机器翻译,可能存在语法或其它翻译错误,仅供参考。如需获取准确内容,请参阅链接中的英语原文或自行翻译。

    尊敬的 Juan:

    DRV8243/44器件具有与引线式封装相同的尺寸。 DRV8873和 DRV8243/44之间的主要区别在于 Rdson 在 DRV8243/44上较低。 如果您改为使用 DRV8243/44、这应该是一个很好的改进!

    此致、

    约书亚