您好,
我有客户的问题。
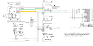
假设 ACLK 源是 XT1 LF (默认条件), WDT-A 来自 ACLK。
在设备通电时,XT1 LF 未稳定,因此根据用户手册第5.2.12节“UCS 模块故障安全操作”,ACLK 自动切换为 REFOCLK。 
另一方面,WDA-A 第16.2.5节“时钟故障保护”功能指出: 
由于 UCS 的故障安全功能使 ACLK 得以维护, 因此我猜 WDA-A 中的故障安全功能在启动时不会触发。
因此,WDT-A 的来源是 ACLK (REFOCLK),而不是 VLOCLK。
正确吗?
谢谢,此致,
柯一朗·塔希罗

