This thread has been locked.

If you have a related question, please click the "Ask a related question" button in the top right corner. The newly created question will be automatically linked to this question.

[参考译文] EVM430-F6779:EVM430-F6779

Guru**** 2576215 points
Other Parts Discussed in Thread: MSP-FET

请注意,本文内容源自机器翻译,可能存在语法或其它翻译错误,仅供参考。如需获取准确内容,请参阅链接中的英语原文或自行翻译。

https://e2e.ti.com/support/microcontrollers/msp-low-power-microcontrollers-group/msp430/f/msp-low-power-microcontroller-forum/593750/evm430-f6779-evm430-f6779

器件型号:EVM430-F6779
主题中讨论的其他器件: MSP-FET

你(们)好 我是韩国人,英语不好

此问题 使用 Google Translator。

请理解它是否奇怪。

我购买了 EVM430-F6779。 未通电。  

我使用三根绞合交流电源线连接到 VA、VB 和 VN、内容最初显示在 LCD 上、但断路器突然掉下来、LCD 上没有显示任何内容。

在升高断路器后、当提供电源时、断路器会持续下降。  

我应该怎么做?

  • 请注意,本文内容源自机器翻译,可能存在语法或其它翻译错误,仅供参考。如需获取准确内容,请参阅链接中的英语原文或自行翻译。

    您好、Park、

    感谢您努力翻译您的问题并包括器件型号。 我有几个后续问题。

    [引用 user="park sinye">]我购买 了 EVM430-F6779。 未通电。  [/报价]

    当您说"未提供电源"时、您是否意味着您在 EVM 上使用板载电源? 我将假定您是这样、因为这是常见的。

    [引用 user="park sinye"]我使用三根绞合交流线连接到 VA、VB 和 VN,内容最初显示在 LCD 上,但断路器突然掉下来,LCD 上没有显示任何内容。

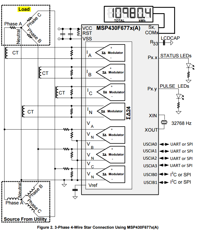
    您能不能包含三芯交流电源线的示意图? 通常情况下、交流电源线为单相、具有1)线路、2)中性线和3)接地线。 假设您在此处使用单相交流电、则需要将1)线缆连接到 VA、并将2)中性线连接到 VN。 此外、请确保根据 用户指南中的第5.1.2节连接所有跳线。 我也建议参考用户指南中的图2。 即使是三相设置、您也只需为单相设置建立"Phase A"和"Neutral "连接即可。

    [引用 user="park sinye">当断路器升高后、电源供电时、断路器会不断下降。  [/报价]

    "断路器"是指交流电路为 EVM 提供电压的断路器吗? 我将假定是这样、因为 EVM 没有板载断路器。 将此 EVM 连接到高压交流电时、请非常小心。 不存在隔离(如某些测试设备提供的隔离)、因此使用此高电压非常危险。 请勿在将高电压连接到器件的情况下将 MSP-FET 连接到 EVM! JTAG 接口不像 RS-232/GUI 端口那样进行隔离!

    希望这对您有所帮助、但如果您有任何疑问、请告诉我。

    此致、

    James

    MSP 客户应用

  • 请注意,本文内容源自机器翻译,可能存在语法或其它翻译错误,仅供参考。如需获取准确内容,请参阅链接中的英语原文或自行翻译。

    谢谢你。

    1.断路器

    当提供220V 电压时、此开关会持续下降。

    2.连接状态

  • 请注意,本文内容源自机器翻译,可能存在语法或其它翻译错误,仅供参考。如需获取准确内容,请参阅链接中的英语原文或自行翻译。

    感谢您的照片。 您将需要在此处连接负载、如 用户指南中的图2所示。 我担心您的设置中会出现短路、这会导致断路器烧断。 请确保电压和电流连接正确。

    此致、

    James

    MSP 客户应用

  • 请注意,本文内容源自机器翻译,可能存在语法或其它翻译错误,仅供参考。如需获取准确内容,请参阅链接中的英语原文或自行翻译。

    智能仪表参考设计的快速入门指南虽然对于不同的硬件来说略显过时 、但可能提供了一些有关如何将负载连接到 EVM 的其他见解。

    此致、

    James

    MSP 客户应用