这是 uC 数据表中的图表、其中使用两个通道在两个方向上脉冲/读取一对换能器。

TI 正是通过这种方式在演示板上对其进行设计的、仅使用 CH0并开关 U8和 U9来选择方向:

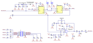
为了引导您找到该原理图:
- AFE_CH0_OUT 是 uC 生成的脉冲。
- U9是一款电压电平转换器、支持我们在比 uC 正在运行(UC-RX)更高的电压(VCC VCC - TX)下对传感器施加脉冲
- J5和 J6连接到换能器。
- U8和 U7开关换能器上行/下行。
- U10是一个放大器、其输出(AFE_CH0_IN)会反馈给 uC 进行分析。
Question:
-演示板为什么不使用双通道? 我假设这是为了避免为两个通道构建电平位移电路和放大器。
-使用两个通道而不是多路复用 CH0有什么好处?
在演示板上,从 U7到放大器(U10)的 SIGNAL_RX 原理图也被路由回电平转换器(U9)。 为什么 SIGNAL_RX 需要返回 U9?
