请注意,本文内容源自机器翻译,可能存在语法或其它翻译错误,仅供参考。如需获取准确内容,请参阅链接中的英语原文或自行翻译。
器件型号:BQ77216 工具与软件:

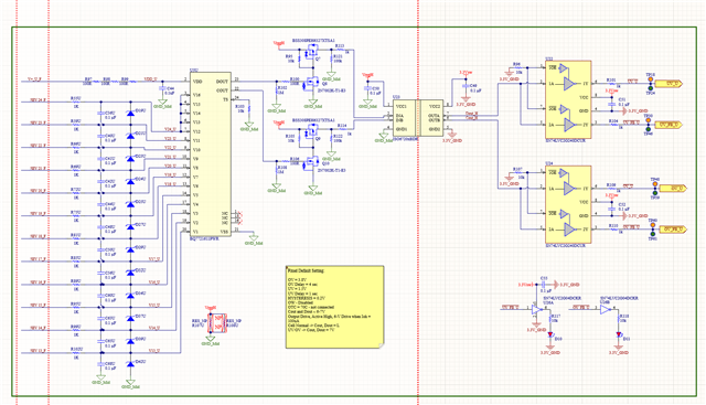
我们正在将 BQ7721611与 ADI 的 LTC6813-1配对。 必须连接 BQ77216上的顶部电芯是否有任何限制? 必须连接顶部电芯的要求是什么? 是因为 BMS 的主 IC 需要平衡电芯吗?
This thread has been locked.
If you have a related question, please click the "Ask a related question" button in the top right corner. The newly created question will be automatically linked to this question.