工具与软件:
你(们)好
我们正在使用 PMIC TPS6508641为 Zynq Ultrascale+ XQZU19EG-2FFQB1517I 供电。
我们将使用6V 来为 PMIC 供电。 PMIC o/ps 不稳定。 下面是 buck1输出5V 处的捕捉。 及其反馈信号 FBVOUT1。
5V 输出:

FBVOUT1:

降压2输出:

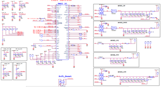
我们删除了 R32 (请参阅下面的原理图)并进行了检查。 然后 PMIC 输出5V 正常、但反馈仍然不正常


下面是我们的原理图:
请注意、我们将为 PMIC VSYS 和 U5漏极提供6V 电压。 此外、我们还为 LX5提供了外部 LC 元件、并且 已将 FB5与 GND 断开连接并连接到一个输出电容器。
