工具与软件:
您好、使用 TPS2117DRLR 时遇到以下问题:
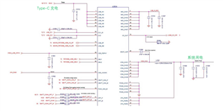
我们的 TPS2117用于移动智能设备; 该器件有2节电池、主电池连接到 VIN1端、备用电池连接到 VIN2端;
目的是当客户拔下主电池时、备用电池可以完美地连接到电源。 防止器件发生电源故障。 
同时、我们 TPS2117的 VOUT 连接到 Qualcomm 的充电 IC:PM-7250B-2-FOWPSP110-HR-00-0。
充电 IC 还接受 Type-C 电源; 为电池充电; 以及为系统供电的电池功能。


现在、问题如下:
1. 根据电流测试结果、TPS2117在从 VOUT 到 VIN1模式下工作时只能支持大约1.4A 的电池充电电流。 该电源电流低于我们针对电池充电的3A 目标设计要求。 是否有可行的方法来提高这一性能? 此外、相关成本和潜在的权衡是什么、例如温升、稳定性问题或长时间使用时内部电阻增加?
查看规格后、该器件的反向电源电流上限规定为4A。 然而、当前模型只能实现1.4A。 是否需要调整特定的引脚或参数来实现更高的性能? 或者、我们是否应该考虑改用其他芯片来满足设计要求?

2插入适配器或完成握手协议后、VOUT 电压将突然增加到4.8V、然后我们的系统日志将警告我们存在过压问题并停止电池电源
(过压是指电池电压高于预设阈值电压时、停止电池电源)
然后、当电压降低时、电源继续供电。 此问题的原因是什么? 我们尝试将 tps2117向下吹、并直接焊接 VIN1和 VOUT、而不会出现这种问题。 是否有解决方案?

3. 我们的电池放电过度,电池放电后 VIN1电压是0V。 从理论上讲、备用电池将直接切换到电源。 我可以问一下、VIN2是否也为0V、 TPS2117会切断回 VIN1吗?
4. 充电时如果取出主电池,充电 IC 会直接给 VIN2供电吗?