Other Parts Discussed in Thread: TPS65265
工具/软件:
您好:
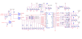
我在系统中配置了该 IC、可在12V 至2x 3.3V + 1 x 5V 输出之间进行转换。
由于未知原因、几周的系统正常工作后、其中一个输出(5V -连接到"buck2")突然出现故障、只有更换芯片才能解决该问题。
在大约150个系统中、有5个系统出现此故障。
我想知道您是否可以提供任何信息来帮助我调查此问题。
可能是由 ESD 或潜在 ESD 问题引起的? 反向电流? 这是过去报告过的 IC 问题还是其他客户遇到过的问题?
提前感谢!
