《主题中讨论的其他器件:TPS65994AE、
工具/软件:
尊敬的 SupportTeam:
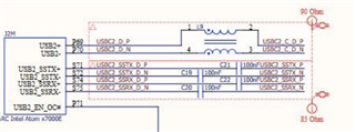
我们有一个基于 TPS65994AERSLR 作为 PD 控制器和 TUSB1146RNQR 的设计、在这个设计中、我们遇到 PD 控制器配置问题、无法通过 I2C 启用显示交替模式、并且 USB 3.0无法正常工作。 我想问您是否可以检查此设计的配置并确认是否正确、我会附加配置器工具的配置以及系统的电气原理图。
您的支持范围是 appreciated.e2e.ti.com/.../usbc_5F00_dp.pdfe2e.ti.com/.../TPS65994AE.pjt





