工具/软件:
它可能关心的对象、
我们正在考虑使用 TPS51206、并希望从其他逻辑器件(例如 TPS70745)生成 VDDQSNS (1.2V)和 VLDOIN (2.5V 或3.3V)。
该逻辑器件应采用5V 输入电压运行。
由于元件数量增加、我们倾向于避免使用降压转换器。
TPS51206的预期 VTT 输出为0.6V (约为±200mA)。
如果您对此设置提出合适的解决方案、我们将不胜感激。
此致、
筑田市
This thread has been locked.
If you have a related question, please click the "Ask a related question" button in the top right corner. The newly created question will be automatically linked to this question.
工具/软件:
它可能关心的对象、
我们正在考虑使用 TPS51206、并希望从其他逻辑器件(例如 TPS70745)生成 VDDQSNS (1.2V)和 VLDOIN (2.5V 或3.3V)。
该逻辑器件应采用5V 输入电压运行。
由于元件数量增加、我们倾向于避免使用降压转换器。
TPS51206的预期 VTT 输出为0.6V (约为±200mA)。
如果您对此设置提出合适的解决方案、我们将不胜感激。
此致、
筑田市
您好、James-san、
感谢您的答复。
为了澄清、是的、我们使用5V 输入源、我们正在评估为 VDDQSNS 生成1.2V 电压和为 TPS51206的 VLDOIN 生成2.5V 或3.3V 电压的可能方法、而不使用降压转换器。
我们准备了三种配置供您参考:
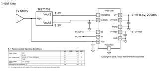
-最初的想法:使用 TPS70702
-选项1:使用 TPS70745 (通过固定输出最小化无源器件)
-选项2:在 VDD 连接到3.3V 的情况下使用 TPS70745、同时更大限度地减少无源器件
随附的图中展示了这些机制。
是否有任何使用不同逻辑器件的替代解决方案?
另外、如果您对所连接的配置有任何疑问、请告知我们。 


此致、
筑田市
尊敬的 James-san:
再次感谢您的支持和迄今为止有用的指导。
如您所述、我理解调查应主要关注 TPS51206本身。
考虑到这一点、 我想再次确认以下两个问题、以确保正确的上游设计:
问题1:
假设:我们计划从 TPS51206的 VTT 输出以0.6V 的电压灌入和拉取±200mA。
在这种情况下、哪个引脚提供该电流:VLDOIN 或 VDD?
该问题的目的是正确估算 TPS51206上游的逻辑器件所需的输出电流。
问题2:
我们假设:5V 输入源可能包含纹波或噪声、因为它也用于驱动继电器。
如果我们将该5V 电压施加到 TPS51206的 VDD 引脚、是否建议使用铁氧体磁珠或类似滤波器来抑制噪声?
我们感谢您的确认或任何其他建议。
此致、
筑田市
尊敬的 Tsukada-San:
Q1) VLDOIN 是 VTT 输出的电源输入。 这就是电流将流动以支持 DDR 终端的地方。 VDD 只是其他内部器件的偏置电压。
Q2) 如果 VDD 上推荐的0.1uF 去耦电容器不足、则可以添加铁氧体磁珠。 0.1uF 电容器是我们在数据表中唯一推荐的电容器、但如果您知道 VDD 上的预期噪声、您或许能够通过铁氧体磁珠增加额外的滤波器覆盖范围。
此致、
James