This thread has been locked.

If you have a related question, please click the "Ask a related question" button in the top right corner. The newly created question will be automatically linked to this question.

[参考译文] TPS25946:TPS25946备用电池开关应用

Guru**** 2510465 points
Other Parts Discussed in Thread: TPS25946, TPS25947

请注意,本文内容源自机器翻译,可能存在语法或其它翻译错误,仅供参考。如需获取准确内容,请参阅链接中的英语原文或自行翻译。

https://e2e.ti.com/support/power-management-group/power-management/f/power-management-forum/1515024/tps25946-tps25946-backup-battery-switching-application

器件型号:TPS25946
主题: TPS25947中讨论的其他器件

工具/软件:

尊敬的 TI 团队:

我目前正在使用 TPS25946来实现备用电池开关功能。
请查看下面的原理图:

在电路中:

  • 上部使用 BAT_IN 作为主电池。

  • 下部部分使用 BACKUP_BAT 作为备用电池。

我的要求是、当有主电池为负载(BAT_VCC)供电时、必须禁用连接到备用电池的电子保险丝、以防止其供电。

为了实现这一点、我可以使用 PG (电源正常)功能:

  • 当存在主电池时、上部 TPS25946的 PGTH 电压超过阈值、导致 PG 变为高电平。

  • 此 PG 高电平信号将下部 TPS25946的 EN/UVLO 引脚拉至低电平、从而禁用备用电池输出。

  • 当移除主电池且 PGTH 降至阈值以下时、PG 变为低电平、从而使下部 TPS25946的 EN/UVLO 变为高电平、从而使备用电池能够为系统供电。

您能否确认此设计方法是否有效并推荐用于此类应用?

谢谢你。

  • 请注意,本文内容源自机器翻译,可能存在语法或其它翻译错误,仅供参考。如需获取准确内容,请参阅链接中的英语原文或自行翻译。

    您好、Tom、

    我会检查这个,并在下周初回到你。

    此致、
    Arush

  • 请注意,本文内容源自机器翻译,可能存在语法或其它翻译错误,仅供参考。如需获取准确内容,请参阅链接中的英语原文或自行翻译。

    您好、Tom、

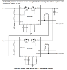
    这看起来是实现电源多路复用的非常标准的方法。 在这里、您可以直接使用 PG 信号到 OVLO 引脚、其行为类似于 ENB、而不是使用 FET 将 EN 拉至低电平。

    您还能确认所使用的器件。 TPS25947或 TPS25946。 两者都是 P2P、但 TPS25947提供反向电流阻断功能、即使此应用需要开启时也是如此。 任何其他 TPS25946在这里都无法正常工作。

    TPS25947数据表第9.5节中提供了更多详细信息

    此致、
    Arush