This thread has been locked.

If you have a related question, please click the "Ask a related question" button in the top right corner. The newly created question will be automatically linked to this question.

[参考译文] BQ27427:如何将功耗监测器与充电 IC BQ25619E 正确连接?

Guru**** 2382670 points
Other Parts Discussed in Thread: BQ25619, BQ27427
请注意,本文内容源自机器翻译,可能存在语法或其它翻译错误,仅供参考。如需获取准确内容,请参阅链接中的英语原文或自行翻译。

https://e2e.ti.com/support/power-management-group/power-management/f/power-management-forum/1514746/bq27427-how-to-correctly-connect-the-power-consumption-monitor-with-the-charging-ic-bq25619e

器件型号:BQ27427
主题中讨论的其他器件:BQ25619

工具/软件:

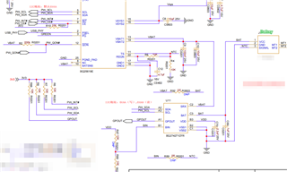
将电量监测计芯片 BQ27427与充电芯片 BQ25619结合使用时、BQ27427的 SRX 引脚是否应该连接至 BQ25619的 BAT 引脚或 VSYS 引脚以实现电池电平检测? 您能检查一下原理图是否有任何问题吗?

  • 请注意,本文内容源自机器翻译,可能存在语法或其它翻译错误,仅供参考。如需获取准确内容,请参阅链接中的英语原文或自行翻译。

    您好、Emma、

    是的、您要将输出检测线路(SRX)连接到充电器的 BAT 引脚、而不是 SYS 引脚。

    根据我在代码片段中看到的内容、我不确定 TS 偏置网络是否正确、我可以看到2个10k 电阻器、通常对于我们推荐的 NTC、这个值为5.3k 和31k。 此外、QON 也不需要外部上拉电阻。 它已经有一个内部上拉电阻器。

    此致、

    Wyatt Keller

  • 请注意,本文内容源自机器翻译,可能存在语法或其它翻译错误,仅供参考。如需获取准确内容,请参阅链接中的英语原文或自行翻译。

    感谢您的回答。 我将 NTC 电阻更改为5.3K 和31K、 还有一个需要咨询的问题:BQ27472的 BIN 引脚是否可以连接到 BQ25619的 TS 引脚、并一起连接到电池的 NTC 热敏电阻端子? 可能会发生什么问题? 该规范并未特别说明将 BIN 引脚连接到 NTC 的作用。 这种连接的功能是什么?

  • 请注意,本文内容源自机器翻译,可能存在语法或其它翻译错误,仅供参考。如需获取准确内容,请参阅链接中的英语原文或自行翻译。

    您好、Emma、

    电量监测计和充电器无法共享同一个热敏电阻、其偏置网络会干扰并提供不正确的温度测量值。 我们建议使用测量仪表温度测量值、并根据需要在主机上调整充电曲线。

    此致、

    Wyatt Keller