工具/软件:
您好 TI
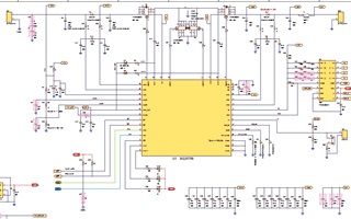
我使用 bq25756设计了 MPPT 太阳能充电器。
为了支持各种太阳能电池板、VAC_DPM 设置为14V。 该系统允许在12V 和24V 电池配置之间进行选择。
在一个测试用例中、我使用一个 VOC = 50V 和 Pmax = 450W 的电池板、并连接到12.8V LiFePO₄ μ F 电池。 该设置主要没有问题、但我观察到、当太阳能辐照度降至特定水平时、IBAT 上会在大约500Hz 至1kHz (可闻)处发生振荡。
最初、我通过硬件设置了 ILIM = 16A 和 ICHG = 20A、但这导致 MPPT 环路不稳定地循环、因此我删除了这些硬件限制。
现在、在电流配置下、MPPT 环路正常运行、但在中等日照条件下振荡问题仍然出现。 它不会在阳光充足或光线非常弱的条件下发生。
这种行为是否会由电源路径或控制环路某些部分中的谐振或相互作用引起?
作为基准、EN_TERM、EN_PRECHG 和 EN_PFM 均设置为禁用。 

* IBAT : 5A/V 