工具/软件:
您好团队
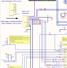
您能回顾一下 HD3SS3220器件的原理图吗?
它适用于使用 USB3标准 B 型插头的 DFP 连接到具有 USB3标准 A 型插头的 PC 主板
USB C 连接器用于连接 USB C SSD 记忆棒
我担心 TX 和 RX 线路的 USB3 Type A 和 B 插头的引脚排列不同
This thread has been locked.
If you have a related question, please click the "Ask a related question" button in the top right corner. The newly created question will be automatically linked to this question.
感谢 Rami -感谢您的快速答复。
"对于 USB 3、我认为470nF 电容将过大。 75nF 至200nF 没关系。 我看到他人使用了100nF "
我将470nf 电容器更改为100nF
"您确实只需要在 TX 上设置上限、RX 是可选的。"
这有点混淆了什么是 Tx 线路- 3220芯片的 Tx 线路连接到 USB-C 连接器的 Rx 线路
我复制了用于放置这些电容器的 EVAL 原理图
我是否需要将 C17、C19、C21和 C22移至3220芯片的 Tx 引脚?

"我不确定您的担忧是什么。 您能解释一下吗? 我不明白我需要再次检查什么"
EVAL 原理图适用于 USB3 Type A 连接器作为源端。
我们需要使用 USB3-Tpye B 连接器。
Type A 和 Type B 连接器的 Tx 和 Rx 引脚交换、如下所示
我只需要将 USB3类型 B 连接器的引脚5和6 (Tx)连接到3230芯片的引脚9和10 (Rx)
USB3类型 B 的引脚8和9相同-连接到3230的引脚6和7
