This thread has been locked.

If you have a related question, please click the "Ask a related question" button in the top right corner. The newly created question will be automatically linked to this question.

[参考译文] TPS552892:TPS552892 设计审查

Guru**** 2422240 points
Other Parts Discussed in Thread: TPS552892, TINA-TI

请注意,本文内容源自机器翻译,可能存在语法或其它翻译错误,仅供参考。如需获取准确内容,请参阅链接中的英语原文或自行翻译。

https://e2e.ti.com/support/power-management-group/power-management/f/power-management-forum/1523926/tps552892-tps552892-design-review

器件型号:TPS552892
主题中讨论的其他器件: Tina-TI

工具/软件:

尊敬的先生:

我选择了 TPS552892 来实现降压/升压电源。

根据 TI 官方网站的 Excel 设计表、我设计了一组参数。  

您能帮助检查 是否有任何问题、尤其是重新评级反馈响应稳定性吗?

随附的波特图供您查看和参考。

谢谢!!

参数:

Fsw= 1.2MHz

输入电压范围为 7V 至 13.2V

VOUT = 12V

Δ Iout=2A 至 100mA

  • 请注意,本文内容源自机器翻译,可能存在语法或其它翻译错误,仅供参考。如需获取准确内容,请参阅链接中的英语原文或自行翻译。

    您好、Danny、

    感谢您使用 e2e 论坛。

    我们此器件的专家不在办公室。 请预计下周会有回复。 感谢您的耐心。

    此致、

    Mounika.

  • 请注意,本文内容源自机器翻译,可能存在语法或其它翻译错误,仅供参考。如需获取准确内容,请参阅链接中的英语原文或自行翻译。

    您好、Danny、

    对于非 I2C 版本的 TPS552892、SCL 和 SDA 引脚更改为 PG 和 CC 引脚。

    2. MODE 引脚需要与 VCC 或 AGND 连接才能选择 FPWM 或 PFM 模式。

    3.检查 VCC 电容器在 5.2VDC 偏置电压下的有效电容是否大于 2.0uF。

    4.建议将 C7 从 4.7nF 更改为 10nF。

    5.如果输出检测电阻 R1 短路、则 ISP 和 ISN 需要直接连接到 Vout。

    6.遵循布局指南。

    e2e.ti.com/.../7510.TPS55289-Layout-Guide-line.pdf

    BRS、

    布莱斯

  • 请注意,本文内容源自机器翻译,可能存在语法或其它翻译错误,仅供参考。如需获取准确内容,请参阅链接中的英语原文或自行翻译。

    您好:Bryce、

    感谢您的答复。

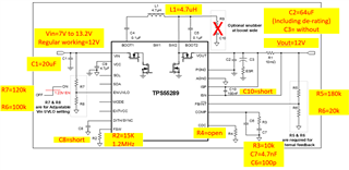
    这是我的原始原理图设计。

    在本原理图中、遵循了 TPS552892EVM-111 EVM 用户指南中的参数设置。

    当负载瞬态变化 (150mA /100ns) 时、输出和电感器电流中会发生异常振荡。

    如下图所示的波形(蓝色= Vout;黄色= IL;绿色= SW1 '红色= SW2)

    我尝试从 TPS552892EVM-111 复制此问题、将电阻器 (R8) 修改为 15k Ω 至 20k Ω、并移除电解电容器 (C19)。

    当 EVM 加电(无负载)时、仍会观察到相同的问题。波动

    问题:

    1.电解质不能移除吗?

    2.在异常波形中、Vout 显示了接近 25kHz 的振荡、即使没有负载、该振荡也会出现在 EVM 上。

    这是内部噪声还是来自 IC 反馈的数字电路?

    3.为确保电源稳定性, 我应该考虑哪个参数?

    例如:

    a.交叉频率与 FLC 之间的关系

    B.相位裕度

    c.增益裕度

    d.品质因数

    e.阻尼

    这些参数是否有标准定义。  

  • 请注意,本文内容源自机器翻译,可能存在语法或其它翻译错误,仅供参考。如需获取准确内容,请参阅链接中的英语原文或自行翻译。

    您好、Danny、

    从波形可以看出、环路不稳定。

    1.可以移除电解电容器、但需要根据新的输出电容器重新设计 COMP 参数。

    2.不,振荡是由不稳定的回路造成的,而不是来自 IC 内部电路。

    3.为了验证 环路稳定性、需要验证相位裕度和增益裕度。 建议 PM>45 度和 Gm<–8dB。 交叉频率是 环路响应的反射、交叉频率更高、环路响应更快。 但是、随着交叉频率的提高、PM 和 GM 可能不够用。 因此、这有一个平衡点。  

    BRS、

    布莱斯

  • 请注意,本文内容源自机器翻译,可能存在语法或其它翻译错误,仅供参考。如需获取准确内容,请参阅链接中的英语原文或自行翻译。

    您好:Bryce、

    1.好的、谢谢!!

    系统和 EVM 上都会出现相同的频率振荡。 根据您的经验、 它们之间是否存在任何可能的关系?

    3. PM>45 度和 GM <–8dB 的要求是由官方规范定义的、还是基于设计经验?

    3-1.在原始设计中、增益裕度约为–6dB、PM > 45 度、接近您指定的–8dB。这是否表示系统不稳定的风险?  

    3-2.我已经调整了参数设置并与您确认。

    建议将 C7 从 4.7nF 更改为 10nF,这是否会导致 PM>60 度的问题。

    其他参考文献表明 45 到 60 度是最佳距离。

    我可以询问建议将 C7 更改为 10nF 的原因吗?

      

    如果交叉频率 (Fc) 设计为接近谐振频率 (FLC)、是否存在任何稳定性问题?

    对于 FC 和 FLC 之间的关系、您有什么建议吗?

    Vin=12V/Vout=12V/Cout=64uF/L=4.7uH/Iout=0.2 至 1.5A

    FLC = 9.1kHz

    e2e.ti.com/.../TPS55289_2D00_CALCULATION_2D00_TOOL_5F00_0610_BF8A7465C35378655F00_V1_5F00_L4R7.xlsx

  • 请注意,本文内容源自机器翻译,可能存在语法或其它翻译错误,仅供参考。如需获取准确内容,请参阅链接中的英语原文或自行翻译。

    您好、Danny、

    请参阅下面的答复。

    [引述 userid=“528262" url="“ url="~“~/support/power-management-group/power-management/f/power-management-forum/1523926/tps552892-tps552892-design-review/5863286 #5863286“]

    系统和 EVM 上都会出现相同的频率振荡。 根据您的经验、 它们之间是否存在任何可能的关系?

    3. PM>45 度和 GM <–8dB 的要求是由官方规范定义的、还是基于设计经验?

    3-1.在原始设计中、增益裕度约为–6dB、PM > 45 度、接近您指定的–8dB。这是否表示系统不稳定的风险?  

    [/报价]

    2、它们之间没有关系,振荡频率也是交叉频率,但没有余量,所以当该频率出现失真时,系统不趋同,就会在波形上显示振荡。

    3. PM>45 度和 Gm<–8dB 来自工程经验。  

    3-1. 不需要、–8dB 是工程经验值、这意味着该系统足够强大、能够应对失真。 您还需要检查 Excel 工具中的值是否与基准值相对应、例如、还应考虑 MLCC 的直流偏置效应。

    3-2. 将 4.7nF 更改为 10nF、因此相位裕度更高。

    4、不是,FLC 引起系统回路不稳定。 和交叉频率应设计为在升压模式下小于 1/5-1/10 RHPZ、也应具有 1/5-1/10 开关频率。

    5.下面是经过修改的 Excel 文件、原理图是以前共享的。

    e2e.ti.com/.../3660.TPS55289_2D00_CALCULATION_2D00_TOOL_5F00_0610_BF8A7465C35378655F00_V1_5F00_L4R7.xlsx

    BRS、

    布莱斯

  • 请注意,本文内容源自机器翻译,可能存在语法或其它翻译错误,仅供参考。如需获取准确内容,请参阅链接中的英语原文或自行翻译。

    您好:Bryce、

    我衷心感谢您在回答我的问题时所花的时间和耐心。

    系统工作 范围为 0.2A 至 2A。

    今天、我使用了 Bode-100 来测量频率响应。

    我有两组测量结果、请帮助审核并提供您的意见。  

    问题 1: 哪一个更适合实际应用?

    Q2.是否需要确保 PM>45 度和 Gm<–8 dB 覆盖整个负载范围?  

    Q3.根据您的经验、通常认为 PM 的可接受范围是多少?

    等 45 度到 90 度?  

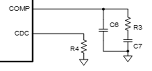
    请参考 Blind symbol component ref.name

    1.R3=10k、C7=10nF、C6=100pF

    (您推荐的值)

    Iout=IOUT 200mA

    Iout=2A

    2.R3=9.1k、C7=22nF、C6=100pF

    Iout=IOUT 200mA

    Iout=2A

  • 请注意,本文内容源自机器翻译,可能存在语法或其它翻译错误,仅供参考。如需获取准确内容,请参阅链接中的英语原文或自行翻译。

    您好、Danny、

    Q1:从结果来看、对于 10k + 10nF、100pF、PM 小于 45 度、gm 大于–6dB、这不是首选。 9.1k + 22nF、100pF 的结果更好。  

    问题 2:是的、PM 和 GM 值标准需要涵盖所有运行概况。 从最小 Vin 到最大 Vin、从轻负载到满载。 GM 标准可以宽松到–6dB。

    Q3:一般情况下,我们认为 45 度或 60 度是可接受的范围。 90 度是不错的、但需要牺牲交叉频率。

    BRS、

    布莱斯

  • 请注意,本文内容源自机器翻译,可能存在语法或其它翻译错误,仅供参考。如需获取准确内容,请参阅链接中的英语原文或自行翻译。

    您好:Bryce、

    我注意到 TPS552892 数据表指定的 gm 要求大于–10dB。

    我想再次确认关于环路稳定性设计的一些要点。

    1.相位裕度范围是  45 度或 60 度,是可以接受的范围。

    2.增益裕度要求大于–10dB,但不得小于–6dB。

    从最小 Vin 到最大 Vin、从轻负载到满载。 GM 标准可以宽松到–6dB。

    3.在升压模式下、交叉频率应设计为小于 1/5-1/10 RHPZ、并且开关频率也应小于 1/5-1/10。

    如果为了确保环路稳定性、我们是否需要考虑任何其他关键要求、敬请告知。非常感谢。

  • 请注意,本文内容源自机器翻译,可能存在语法或其它翻译错误,仅供参考。如需获取准确内容,请参阅链接中的英语原文或自行翻译。

    您好、Danny、

    1.相位裕度 45 度是可以接受的、60 度更好、裕度更高。

    2.可接受小于–6dB 的增益裕度、–10dB 更佳。

    3.正确。

    为了确保环路稳定性、关键规格是交叉频率、相位裕度和增益裕度。

    BRS、

    布莱斯

  • 请注意,本文内容源自机器翻译,可能存在语法或其它翻译错误,仅供参考。如需获取准确内容,请参阅链接中的英语原文或自行翻译。

    您好:Bryce、

    作为你的答复项目 1,“1. 相位裕度 45 度是可以接受的、60 度更佳、裕度更高。“

    下面是我们的波特测试在实际情况下、一些 condition 相位裕度 超过 80 度。

    是否对于 相位裕度而言太高? 并会影响瞬态响应?

    注释。 我们使用 R3=4.7K、C7=33nF、C6=100p。

  • 请注意,本文内容源自机器翻译,可能存在语法或其它翻译错误,仅供参考。如需获取准确内容,请参阅链接中的英语原文或自行翻译。

    您好:Bryce、

    客户提出的另一个问题是相线(蓝色)存在一些干扰、它会受到 Rcomp 还是 Ccomp 的影响?

    它是否会影响降压/升压性能? 谢谢!

    Jeff

  • 请注意,本文内容源自机器翻译,可能存在语法或其它翻译错误,仅供参考。如需获取准确内容,请参阅链接中的英语原文或自行翻译。

    尊敬的 Jeff:

    80 度的相位裕度是可以的、这不是高相位裕度的问题。 如果相位裕度过大、通常意味着可以增加交叉频率以实现更快的环路响应。 它是交叉频率和相位裕度之间的平衡。

    干扰是由测试引起的、而不是由控制环路引起的。 不会影响环路性能。

    BRS、

    布莱斯

  • 请注意,本文内容源自机器翻译,可能存在语法或其它翻译错误,仅供参考。如需获取准确内容,请参阅链接中的英语原文或自行翻译。

    您好:Bryce、

    根据 Jeff 的信息、补偿电路设计为 R3=4.7K、C7=33nF、C6=100p。

    您能否帮助解释测量值和估计值 (Excel) 之间波特图差异的原因?

    我是否遗漏了任何重要的关键因素?

    电感器和 Cout 值由 LCR 表进行测量。

    L=4.55uH、Cout=95uF(12V 时)

    以下是测量的波形和估算的波形、1。 IOUT=0.2A。 2. Iout=2A。   

    IOUT=0.2A

    Iout=2A

    考虑到测量波形和估算波形之间的显著差异、您建议使用什么方法来评估未来的设计或应用?

    e2e.ti.com/.../TPS55289_2D00_CALCULATION_2D00_TOOL_5F00_0623.xlsx

  • 请注意,本文内容源自机器翻译,可能存在语法或其它翻译错误,仅供参考。如需获取准确内容,请参阅链接中的英语原文或自行翻译。

    您好:Bryce、

    TPS552892 是否具有用于仿真的 TINA-TI 模型?

    如果 TINA-TI 模型不可用、是否推荐在设计阶段进行评估的任何其他仿真工具?

  • 请注意,本文内容源自机器翻译,可能存在语法或其它翻译错误,仅供参考。如需获取准确内容,请参阅链接中的英语原文或自行翻译。

    您好、Danny、

    您可以在 TI.com 上找到 PSpice 模型。

    此致、

    木林

  • 请注意,本文内容源自机器翻译,可能存在语法或其它翻译错误,仅供参考。如需获取准确内容,请参阅链接中的英语原文或自行翻译。

    您好:Bryce、

    您对此有任何更新吗? 这是一个紧急情况。请尽快回复。

    谢谢!!

  • 请注意,本文内容源自机器翻译,可能存在语法或其它翻译错误,仅供参考。如需获取准确内容,请参阅链接中的英语原文或自行翻译。

    您好、Danny、

    Bryce 今天是 ooo、请稍后回复。

    此致、

    木林

  • 请注意,本文内容源自机器翻译,可能存在语法或其它翻译错误,仅供参考。如需获取准确内容,请参阅链接中的英语原文或自行翻译。

    您好、Danny、

    很抱歉,我最近才回复,我是在出差的这周。

    您能否分享波特图测试的最终原理图? 并共享输入、输出条件和输出电容器的器件型号?

    我们近期发布的器件没有 TINA-TI 模型、而且近年来 TI 更推荐使用 PSpice 模型。 下面是 PSpice for TI 模型的下载链接、您也可以在 TI.com 的产品页面中找到该链接

    https://www.ti.com/lit/zip/slvme05

    BRS、

    布莱斯

  • 请注意,本文内容源自机器翻译,可能存在语法或其它翻译错误,仅供参考。如需获取准确内容,请参阅链接中的英语原文或自行翻译。

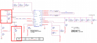
    您好:Bryce、

    原理图如下所示、Cout + Cin(下一级电子保险丝)   

    电容器器件型号

    1. Cout:0805/22uF:0805X226M250CT (Walsin)

    2. Cin(电子保险丝):0603/10uF:0603X106M250CT (Walsin)

    Vin 范围 7V ~ 13.2V、一般 Vin=12V

    VOUT = 12V

    增量 200mA ~ 2A、从空闲到工作  

    波德图

    Vin12V 200mA

    Vin12V 1A

    Vin12V 2A

    Vin10V 2A

    Vin13.2V 2A

  • 请注意,本文内容源自机器翻译,可能存在语法或其它翻译错误,仅供参考。如需获取准确内容,请参阅链接中的英语原文或自行翻译。

    您好、Danny、

    将原理图与您在计算工具中填充的参数进行比较、主要区别在于输出电容。 由于找不到所用输出电容器的有效电容、因此我使用了具有相同额定电容/封装尺寸/额定电压的类似 Murata 电容器值来估算有效电容。 对于 22uF/25V/0805 电容器、每个在 12V 直流偏置电压下的有效电容约为 3.8uF。 对于 10uF /25V/0603 电容器、我使用  GRM188R61E106MA73 作为参考、每个电容器在 12VDC 偏置电压下的有效电容约为 1.5 μ F。

    下面是我用于计算估计输出电容的计算工具。 结果与测试结果类似、但由于电容/电感变化和 IC 变化、可能略有差异。

    e2e.ti.com/.../TPS552892-Design-Calculation-V1.0_5F00_0627.xlsx

    关于原理图:

    1.建议将 VCC 接地端与 PGND 相连。 并通过 VCC 电容器接地端的网带将 PGND 与 AGND 连接起来。

    2.将 R1434 接地与 AGND 连接。

    3.遵循布局指南,并在完成后发送给我们进行审核。

    BRS、

    布莱斯

  • 请注意,本文内容源自机器翻译,可能存在语法或其它翻译错误,仅供参考。如需获取准确内容,请参阅链接中的英语原文或自行翻译。

    您好:Bryce、

    感谢您的建议!!

    修改原理图如下所示、这是正确的吗?   

  • 请注意,本文内容源自机器翻译,可能存在语法或其它翻译错误,仅供参考。如需获取准确内容,请参阅链接中的英语原文或自行翻译。

    您好、Danny、

    建议按如下所示将 VCC 电容器的 GND 更改为 PGND。

    BRS、

    布莱斯

  • 请注意,本文内容源自机器翻译,可能存在语法或其它翻译错误,仅供参考。如需获取准确内容,请参阅链接中的英语原文或自行翻译。

    您好:Bryce、

    明白。 感谢您的帮助!!!

  • 请注意,本文内容源自机器翻译,可能存在语法或其它翻译错误,仅供参考。如需获取准确内容,请参阅链接中的英语原文或自行翻译。

    您好、Danny、

    谢谢,我将关闭这个主题,你可以在这里回答,如果有更多的问题,那么这个主题可以再次打开。

    BRS、

    布莱斯