请注意,本文内容源自机器翻译,可能存在语法或其它翻译错误,仅供参考。如需获取准确内容,请参阅链接中的英语原文或自行翻译。
器件型号:SN74LVC8T245-Q1 主题中讨论的其他器件:SN74LVC125A
工具/软件:
您好、团队、
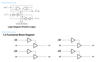
您能否检查 SN74LVC8T245QPWRQ1 中是否有缓冲器? 我们在 SN74LVC125A 中看到它。

This thread has been locked.
If you have a related question, please click the "Ask a related question" button in the top right corner. The newly created question will be automatically linked to this question.
工具/软件:
您好、团队、
您能否检查 SN74LVC8T245QPWRQ1 中是否有缓冲器? 我们在 SN74LVC125A 中看到它。
