请注意,本文内容源自机器翻译,可能存在语法或其它翻译错误,仅供参考。如需获取准确内容,请参阅链接中的英语原文或自行翻译。
器件型号:BQ79631-Q1 工具/软件:
相关 BQ79631EVM 评估模块用户指南 下
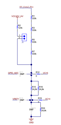
图 6-3. 高压检测 、
高压检测部分有几个部分我们尚不确定。
例如、在的情况下 HV_Extra2 Plus 和 HV_Extra1 Plus 、
使用的目的或时间是什么 VREF1 显示在上面?


其次、对于 HV_Plus 、对应的 CB2 引脚看起来仅连接到 NC(无连接)引脚。
您能否说明此连接的预期用途(如果有)?
将 CB2 连接到 NC 引脚是否有特定用途?